Hitachi ZX330-3G to ZX360H-3G Technical Manual
Size: 9.39 MB
Language: English
Machine: Excavator
Machine Model: ZX330-3G ZX350H-3G ZX350K-3G ZX360H-3G
Document: Technical Manual, Troubleshooting, Operational Principl, Electrical and Hydraulic Circuit Diagram
List File:
Hitachi ZX330-3G ZX350H-3G ZX350K-3G ZX360H-3G Technical Manual Troubleshooting TTBWA-E-00 (338 Pages)
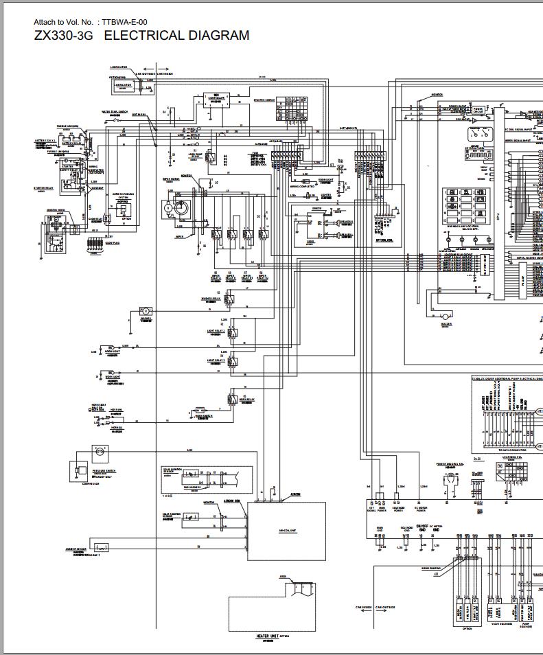
Hitachi ZX330-3G ZX350H-3G ZX350K-3G ZX360H-3G Electrical and Hydraulic Circuit Diagram TTBWA-E-00 (6 Pages)
Hitachi ZX330-3G ZX350H-3G ZX350K-3G ZX360H-3G Technical Manual Operational Principle TOBWA-E-00 (220 Pages)
The Bookmarks of Hitachi ZX330-3G to ZX360H-3G Technical Manual:
Introduction
Safety
Section And Groupcontents
Section 1 General
Section 2 System
Section 3 Component Operation
Section 4 Operational Performance Test
Section 5 Troubleshooting
Service Manual Revision Request Form
The Attached Diagram List



