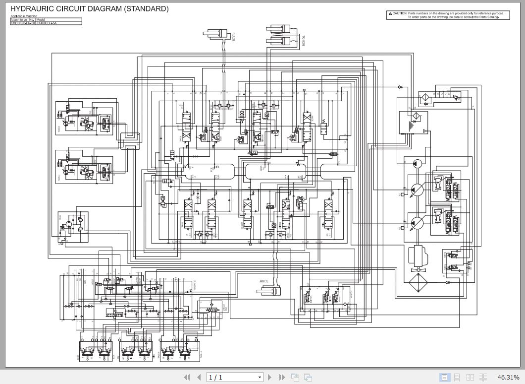
Hitachi ZX400LCH-5A Service Manual
Size: 874 KB
Machine: Hydraulic Excavator
Machine Model: ZX400LCH-5A
Content:
Hitachi ZX400LCH-5A Hydraulic Circuit Diagram 1 Pages
Hitachi ZX400LCH-5A Service Manual T01-01-01to02 2 Pages
Hitachi ZX400LCH-5A Service Manual T04-02-01to26 26 Pages


