Hitachi ZX70-5G ZX70LC-5G Technical Manual TTDEA-EN-01
Size: 12.4 MB
Machine: Hydraulic Excavator
Machine Model: ZX70-5G ZX70LC-5G
Publication Date: 2013
Part Number: TTDEA-EN-01
TTDEA-EN-01 292 Pages
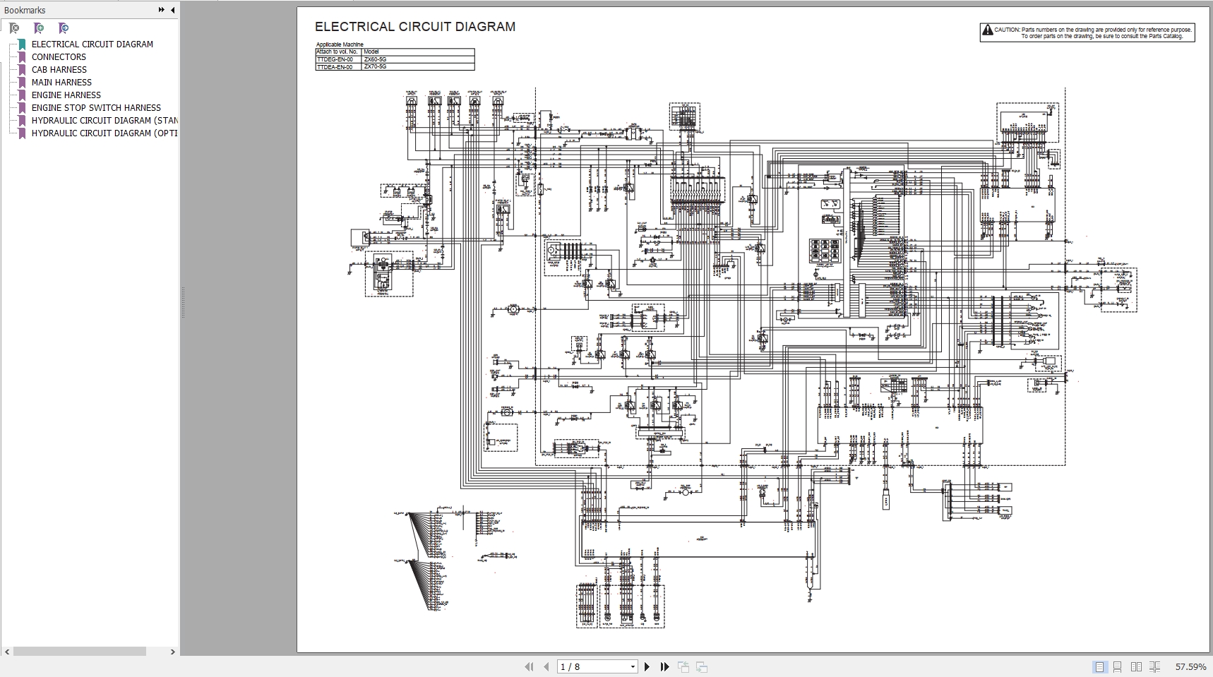
TTDEA-EN-01_Circuit 8 Pages
The Bookmarks of Hitachi ZX70-5G ZX70LC-5G Hydraulic Excavator Technical Manual(Troubleshooting):
Section 4 Operational Performance Test
Group 1 Introduction
Group 2 Standard
Group 3 Engine Test
Group 4 Machine Performance Test
Group 5 Component Test
Section 5 Troubleshooting
Group 1 Diagnosing Procedure
Group 2 Component Layout
Group 3 Troubleshooting A
Group 4 Troubleshooting B
Group 5 E-Service
Group 6 Air Conditioner
Service Manual Revision Request Form
The Attached Diagram List


