Hyundai 12ES-XB 12ES-XN Electric Stackers Operator Manual
Size: 5.71 MB
Format: PDF
Language: English
Brand: Hyundai
Machine: Electric Stackers
Document: Operator Manual, Electrical and Hydraulic Diagrams
Model Machine: Hyundai 12ES-XB 12ES-XN Electric Stackers
Page: 40 Pages
Detail Content:
1. CORRECT APPLICATION
2. DESCRIPTION OF THE STACKER
a. Overview of the main components
b. Main technical data
c. Description of the safety devices and warning labels
d. Identification plate
3. WARNINGS, RESIDUAL RISK AND SAFETY INSTRUCTIONS
4. COMMISSIONING, TRANSPORTING, DECOMMISSIONING
a. Commissioning
b. Lifting/ transportation
c. Decommissioning
5. DAILY INSPECTION
6. OPERATION INSTRUCTIONS
a. Parking
b. Residual lift diagram
c. Lifting
d. Lowering
e. Travelling
f. Steering
g. Braking
h. Malfunctions
i. Emergency
7. PIN-CODE PANEL
a. Introduction
b. Main functions
8. Battery-Safety, Servicing, Recharging, Replacement
a. Description of the lithium-ion battery
b. Battery Decals (lithium-ion battery)
c. Safety Instructions, Warning Indications and other Notes (lithium-ion battery)
d. Replacement
e. Battery Indicator
f. Charging
9. REGULAR MAINTENANCE
a. Maintenance checklist
b. Lubricating points
c. Check and refill hydraulic oil
d. Checking electrical fuses
e. Removing, reattaching guarding
10. TROUBLE SHOOTING
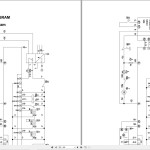
11. WIRING/ CIRCUIT DIAGRAM
a. Electrical circuit diagram
b. Electrical circuit diagram (EN1175:2020)
c. Hydraulic circuit
d. Schematic diagram of braking system
12. DECLARATION OF CONFORMITY (valid, if sold within the EU)



