Hyundai HD100 Dozer Service Manual
Size: 46.91 MB
Format: PDF
Language: English
Brand: Hyundai
Machine: Dozer
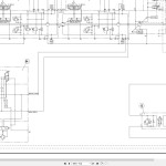
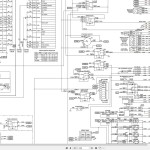
Document: Service Manual, Electrical and Hydraulic Diagrams
Model Machine: Hyundai HD100 Dozer
Page: 416 Pages
Detail Content:
Safety, Specification and Systems Operation
Removal and Installation
Troubleshooting Guide
Schematics



