Iseki TU320F TU324F Operators Manual and Wiring Diagram 8808-1000
Size: 1.39 MB
Language: English
Machine: Tractor
Machine Model: TU320F TU324F
Page: 52 Pages
Parts Number: 8808-1000
The Bookmarks of Iseki TU320F TU324F Operators Manual and Wiring Diagram:
Specifications
General Precautions
Controls And Their Operation
How To Operate The Tractor
Inspection Before Every Day Operation
Inspection Before Every Day Operation
Inspection Before Every Day Operation
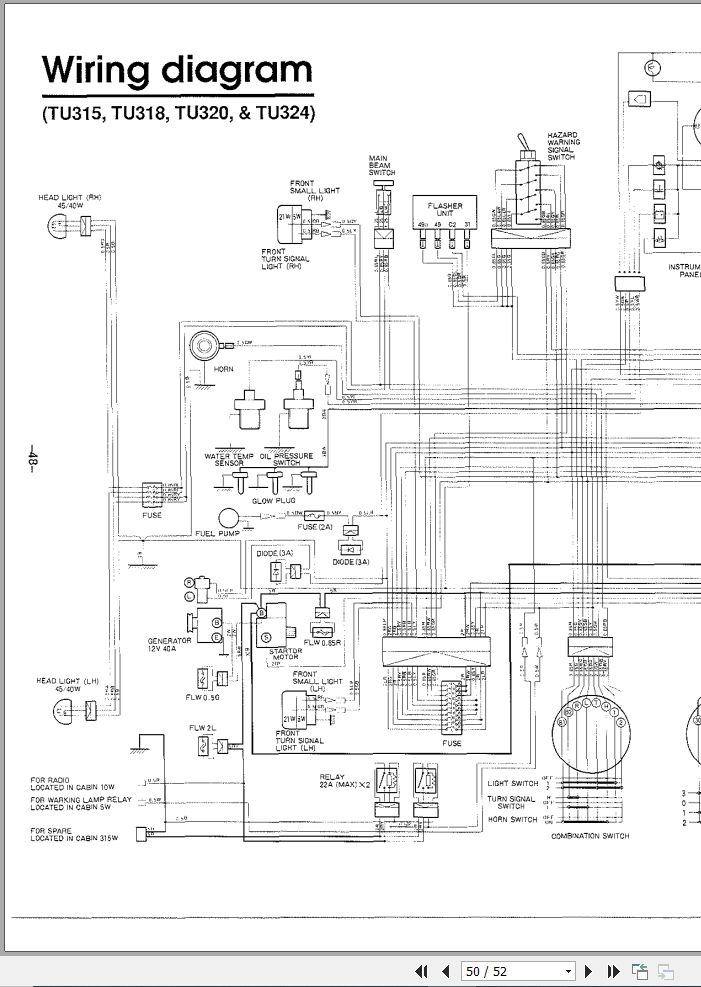
Wiring Diagram
#More Product: Iseki Tractor Operators Manual, Parts Catalog, Service Manual, Wiring Diagram


