John Deere 1010B 1058 Forwarder Diagnostic Operation Test Manual TM1942
Language: English
Format: PDF
Document: Diagnostic Operation Test Manual
Machine: Forwarder
Machine Model: 1010B, 1058
Pages: 702 Pages
Part Number: TM1942
Contents:
Foreword
General Information
Safety Information
General Specifications
Torque Values
Fuels and Lubricants
Inspection and Procedures
Operational Checkout Procedure
Operational Checkout Procedure
Engine
Theory of Operation
Operational Checkout
Diagnostic Information
Test
Electrical
System Information
System Diagrams
Sub-System Diagnostics
LCS 3G Service Display Module
Power Train
Theory of Operation
Diagnostic Information
Test
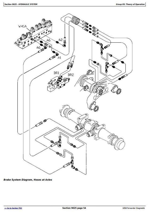
Hydraulic System
Theory of Operation
Operational Checkout
Diagnostic Information
Adjustments
Test
Hydrostatic Drive System
Theory of Operation
Operational Checkout
Diagnostic Information
Adjustments
Miscellaneous Systems
Theory of Operation
Operational Checks
Diagnostic Information
Heating and Air Conditioning
Theory of Operation
Operational Checks
Diagnostic Information
Adjustments
Test




