John Deere 1050C Crawler Dozer Diagnostic Operation Test Manual TM2300
Language: English
Format: PDF
Document: Diagnostic Operation Test Manual
Machine: Crawler Dozer
Machine Model: 1050C
Pages: 653 Pages
Part Number: TM2300
Contents:
Foreword
General Information
Safety
Operational Checkout Procedure
Operational Checkout Procedure
Engine
Theory of Operation
Diagnostic Information
Adjustments
Test
Electrical System
System Information
System Diagrams
Sub-System Diagnostics
JDG10470376 Diagnostic Test Box
References
Power Train
Theory of Operation
Diagnostic Information
Pneumatic System
Theory of Operation
Diagnostic Information
Hydraulic System
Theory of Operation
Diagnostic Information
Adjustments
Test
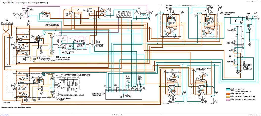
Hydrostatic System
Theory of Operation
Diagnostic Information
Adjustments
Test
Heating and Air Conditioning
Theory of Operation
Diagnostic Information
Test
Dealer Fabricated Tools
Dealer Fabricated Tools




