John Deere 110 Tractor Loader Backhoe Technical Manual TM1987
Language: English
Format: PDF
Document: Technical Manual
Machine: Tractor Loader Backhoe
Machine Model: 110
Pages: 656 Pages
Part Number: TM1987
Contents:
Safety
Specifications and Information
Engine - Diesel
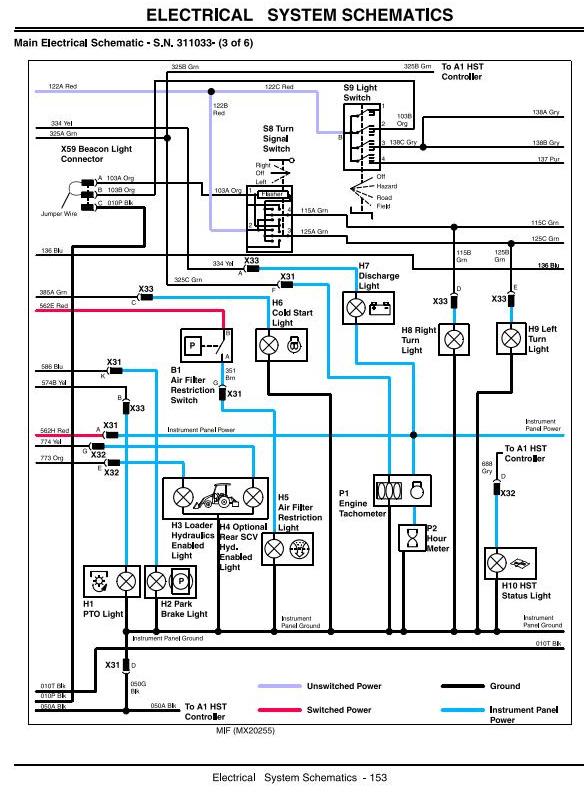
Electrical
Power Train - Hydrostatic
Hydraulics
Steering
Brakes
Loader
Backhoe
Miscellaneous




