John Deere 1165 1175 5.9L 6.8L Combine Repair Operation Test Technical Manual TM4930
Language: English
Format: PDF
Document: Technical Manual
Machine: Combine
Machine Model: 1165, 1175 (000000-053912, 053913-060154)
Pages: 685 Pages
Part Number: TM4930
Contents:
Foreword
General Information
Safety Information
Identification and Specifications
Dimensions
Engine
Special Tools
Diesel Engine Oil
Removing and Installing Engine
Fuel, Air Intake and Cooling Systems
Fuel System
Air Intake System
Cooling System
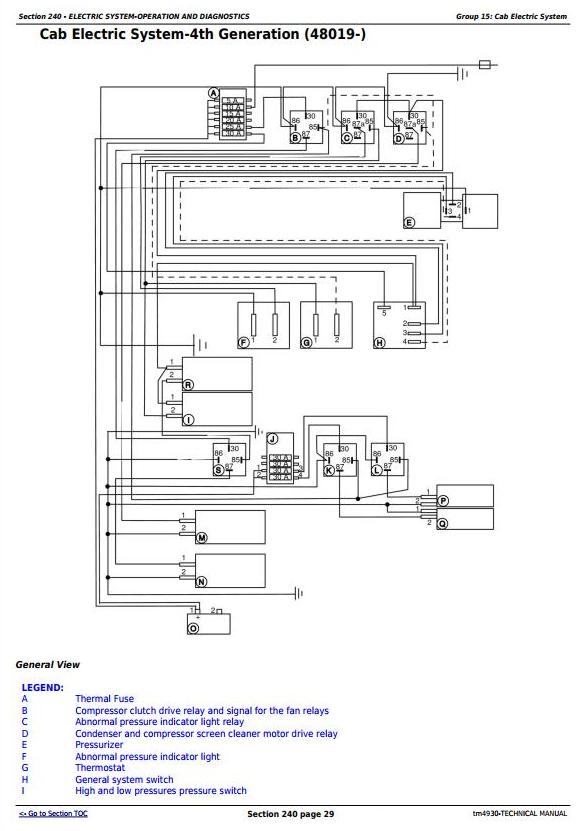
Electrical System
Special Tools
Batteries
Fuses and Relays
Alternator and Voltage Regulator
Starting Motor and Starting Relay
Combine Wiring Harnesses
Transmission
Engine Output Shaft
Final Drives
Transmission Unit-POSI-TORQ
Clutch Operation
Clutch
Gear Box and Differential
Tires and Wheels
Brakes, Steering and Rear Axle




