John Deere 130G Excavator Repair Technical Manual TM12351
Language: English
Format: PDF
Document: Repair Technical Manual
Machine: Excavator
Machine Model: 130G iT4 S3B (S.N. 1FF130GX__E040001)
Pages: 635 Pages
Part Number: TM12351
Contents:
Foreword
Technical Information Feedback Form
General Information
Safety
Torque Values
Tracks
Track System
Axles, Differentials, and Suspension Systems
Axle Shaft, Bearings, and Reduction Gears
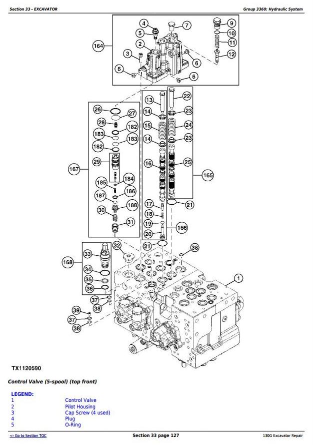
Hydraulic System
Engine
Removal and Installation
Engine Auxiliary System
Cooling Systems
Intake System
External Exhaust Systems
External Fuel Supply Systems
Damper Drive (Flex Coupling)
Elements
Frame or Supporting Structure
Frame Installation
Chassis Weights
Operator`s Station
Removal and Installation
Operator Enclosure
Seat and Seat Belt
Heating and Air Conditioning
Sheet Metal
Hood and Engine Side Shields
Excavator
Buckets
Frame
Hydraulic System
Swing or Pivoting System
Mechanical Drive Elements
Hydraulic System
Dealer Fabricated Tools
Dealer Fabricated Tools




