John Deere 135C RTS Excavator Diagnostic Operation Test Manual TM2093
Language: English
Format: PDF
Document: Diagnostic Operation Test Manual
Machine: Excavator
Machine Model: 135C RTS
Pages: 474 Pages
Part Number: TM2093
Contents:
Foreword
Technical Information Feedback Form
General Information
Safety
Operational Checkout Procedure
Operational Checkout Procedure
Engine
Theory of Operation
Diagnostic Information
Test
Electrical System
System Information
System Diagrams
Sub-System Diagnostics
References
Power Train
Theory of Operation
Diagnostic Information
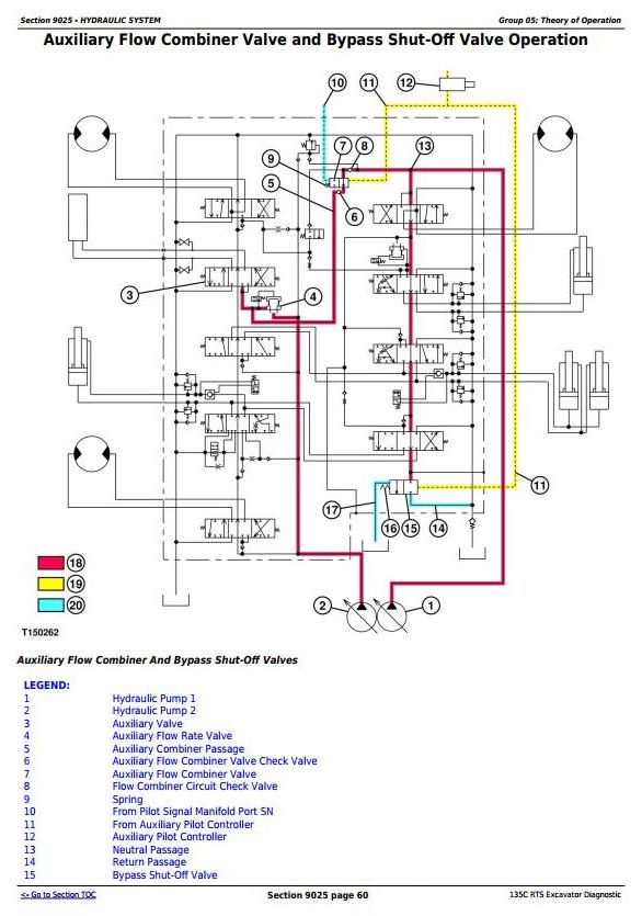
Hydraulic System
Theory of Operation
Diagnostic Information
Test
Heating and Air Conditioning
Theory Of Operation
Diagnostic Information
Test
Dealer Fabricated Tools
Dealer Fabricated Tools




