John Deere 1424 1424C 1433 1433C 1434 1434C Large Square Balers Technical Manual TM405619
Language: English
Format: PDF
Document: Technical Manual
Machine: Large Square Balers
Machine Model: 1424, 1424C, 1433, 1433C, 1434, 1434C
Pages: 159 Pages
Part Number: TM405619
Contents:
Foreword
Version Date
General
Safety
Specifications
General Information
Lubrication
Electrical System - Repair
Electrical System Components
Power Train - Repair
Clutches
Bale Chamber - Repair
Packer
Plungerhead
Needles
Electrical System - Diagnostic
General Information
Electrical Diagram
Electronic Control System
Brake System - Diagnostic
Hydraulic Brake System
Air Brake System
Hydraulic System - Diagnostic
General Information
Hydraulic Circuit Diagrams
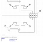
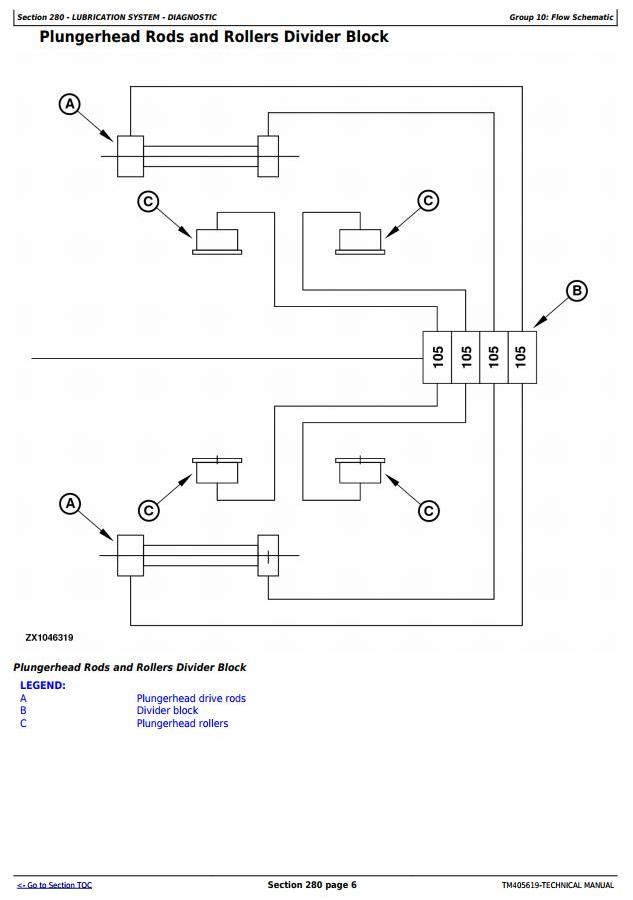
Lubrication System - Diagnostic
General Information
Flow Schematic




