John Deere 1450 1450CWS 1550 1550CWS Combine Diagnosis Test Manual TM4699
Language: English
Format: PDF
Document: Diagnosis Test Manual
Machine: Combine
Machine Model: 1450, 1550, 1450 CWS, 1550 CWS (-047353)
Pages: 760 Pages
Part Number: TM4699
Contents:
Foreword
Safety
Safety Information
Electrical System
General Information
Electrical System Diagrams
Power Supply / Starting Motor
Start Aid (Only 1450 CWS and 1550 CWS)
Engine Stop (1550)
Engine Stop (1450)
Fuse Test
Instruments
Chopper Vane Adjustment (1450 CWS and 1550 CWS)
Lighting / Windshield Washer
Radio / Clock
Alarm Module / “STOP” Function
Warnmodul
Cigarette Lighter
Light Function
Flasher Function
Revolving Lights
Air Conditioning System
Electrical Mirror Adjustment (1450 CWS and 1550 CWS)
Work Lights
Straw Warning Device
Stop Lights, Reel Speed Adjustment
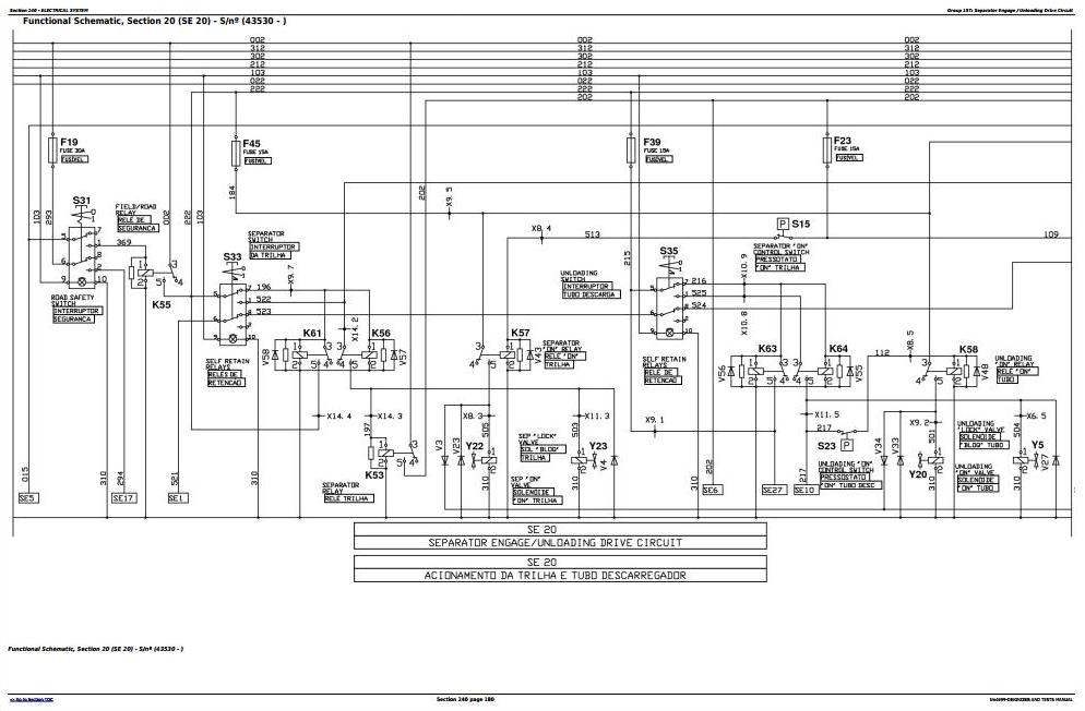
Separator Engage / Unloading Drive Circuit
Header Engage / Reel Circuit /Reverser
INFO-TRAK™ Monitor / Speed Monitoring
Harvest Performance Monitor
Cylinder, Concave and Fan Adjustment
Header Controller Board
Swing In/Out Unloading Tube
Acre Counter (1450 CWS and 1550 CWS)
Shift Lock (1450 CWS and 1550 CWS)
Back Up Alarm / Sieves Light
Header Calibration Procedures
Wiring Harnesses
Power Train
Specifications
Checking Parts for Wear
Testing Hydrostatic System
Transmission
Brakes, Steering and Rear Axle
Brake System
Drum Brakes
Steering System
Hydraulic System
Hydraulic Symbols
Hydraulic Lines
Hydraulic Pump Drive
Hydraulic Control Valve
Hydraulic Reel Motor
Hydraulic System Troubleshooting
Cab
Cab and Operator`s Seat
Air Conditioning and Heating
Ventilation and Heating - Troubleshooting
Operational Test and Troubleshooting
Operation Air Conditioning System




