John Deere 1450 1550 CWS WTS Combine Diagnosis Test Manual TM8113
Language: English
Format: PDF
Document: Diagnosis Test Manual
Machine: Combine
Machine Model: 1450, 1550, 1450 CWS, 1550 CWS, 1450 WTS, 1550 WTS (054551B-)
Pages: 914 Pages
Part Number: TM8113
Contents:
Foreword
Safety
Safety Information
Diagnostics
AHC-Active Header Control
Engine System
General Information
Test and Adjustment Procedures
Engine Diagnostics
Identification and Location of Components
Cooling and Air Intake Systems
General Information
Test and Adjustment Procedures
Air Intake System Diagnostic
Engine Cooling System Diagnostic
Identification and Location of Components
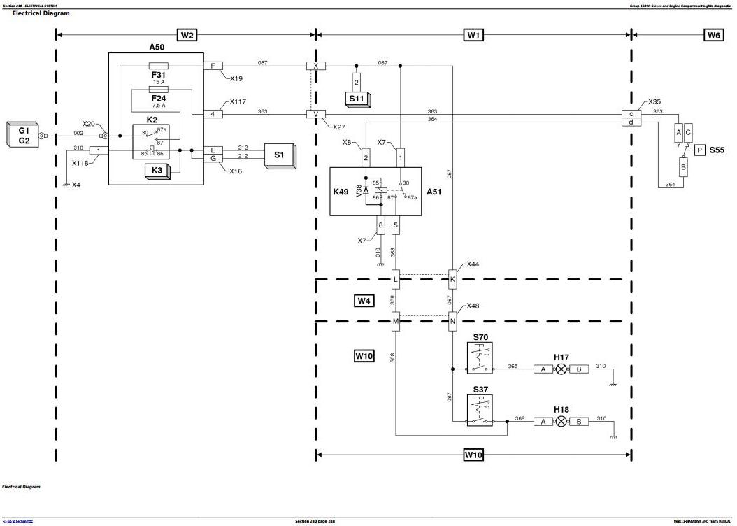
Electrical System
How To Use Diagnostic Information
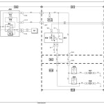
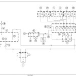
Electrical System Schematics
Fuse Board
Engine Start-Up System Diagnostic-1450
Engine Start-Up System Diagnostic-1550
Battery Recharging System Diagnostic
Engine Shut-Off System Diagnostic-1450
Engine Shut-Off System Diagnostic-1550
Accelerator Diagnostic-CWS/WTS
Engine Speed Diagnostic-1450/1550
Injection Pump Speed and Engine Speed Diagnostic-CWS/WTS
Manifold Air Temperature, Engine Coolant Temperature and Fuel Pressure Sensor Diagnostic-CWS/WTS
Fuel Transfer Pump Diagnostic-CWS/WTS
Engine Air Intake Heater Diagnostic-CWS/WTS
Combine Speed Limiter Diagnostic
Fuse Tester Diagnostic
Engine Coolant Temperature Gauge Diagnostic
Fuel Level Gauge Diagnostic
Straw Walker Performance Monitor and Sensor Diagnostic
Cleaning Shoe Performance Monitor and Sensor Diagnostic
Header Position Gauge Diagnostic-CWS/WTS
Straw Distributor Motor Diagnostic-CWS/WTS
Cab Interior Lighting Diagnostic
Windshield Washer Motor Diagnostic
Windshield Wiper Motor Diagnostic
Grain Tank Lighting System Diagnostic
Radio Diagnostic
CB Radio Diagnostic
Engine Oil Pressure Diagnostic
Parking Brake Diagnostic
Hydrostatic System Oil Temperature Diagnostic
Straw Chopper Impeller Speed Sensor Diagnostic
Tailings Elevator Auger Speed Sensor Diagnostic
Straw Walker Crankshaft Speed Sensor Diagnostic
Power Separator Speed Sensor Diagnostic-WTS
Clean Grain Elevator Auger Speed Sensor Diagnostic
Cleaning Fan Speed Sensor Diagnostic
Engine Air Filter Sensor Diagnostic
Hydraulic Oil Filter Sensor Diagnostic
Grain Tank Filling Level Sensor Diagnostic
Cigarette Lighter Diagnostic
Headlights Diagnostic
Compressor Diagnostic of Air Seat
Front Clearance Lights Diagnostic
Tail Light Diagnostic
Left-Hand Turn Signal Diagnostic
Right-Hand Turn Signal Light Diagnostic
Beacon Lights Diagnostic
Air Conditioning System Diagnostic
Electrical Adjustment of Rear View Mirrors Diagnostic -CWS/WTS
Unloading Auger Lighting System Diagnostic
Work Lights and Spot Lights On Mirror Arms Diagnostic
Cab Auxiliary Work Light Switch Diagnostic
Straw Chopper and Straw Walker Plugging Alarm Diagnostic
Reel Speed Adjustment Diagnostic
Brake Light Diagnostic
Separator Drive Diagnostic
Unloading Auger Drive Diagnostic
Header Drive Diagnostic
Feeder House Drive Reverser Diagnostic
INFO-TRAKINFO-TRAK is a trademark of the Deere & Company Monitor/ Drive Shaft Speed Monitor
Cleaning Fan Speed Adjustment Diagnostic
Threshing Cylinder Speed Adjustment Diagnostic
Concave Spacing Adjustment Diagnostic
Header Height Control Diagnostic-AHC (Automatic)
Reel Extend/Retract Diagnostic
Reel Raise/Lower Diagnostic
Header Lateral Tilt Diagnostic
Cutterbar Pressure Selection Valve Switch Diagnostic-600 Series Flex Header
Header Raise/Lower Diagnostic (Manual)
Header Controller Board Diagnostic
Float Control Diagnostic-300 and 600 Series Rigid Cutting Platform
Unloading Auger Swing Diagnostic
Four Wheel Drive Diagnostic
Area Counter Diagnostic
Gearshift Lock Diagnostic-CWS/WTS
Back-up Alarm Diagnostic-CWS/WTS
Sieves and Engine Compartment Lights Diagnostic
Header Calibration Procedures
Connector Data
Drive Train
Specifications
Checking Parts for Wear
Hydrostatic System Test
Transmission
Four-Wheel Drive
Two Speed Four-Wheel Drive
Brakes, Steering and Rear Axle
Brake System
Drum Brakes
Steering System
Hydraulic System
General Information
Hydraulic Schematic
Reel Hydraulic Motor
Hydraulic Pump Drive
Hydraulic Control Valve
Hydraulic System Troubleshooting
Identification and Location of Hydraulic Components
Cab
Cab and Operator`s Seat
Air Conditioning and Heating
Ventilation and Heating - Troubleshooting
Operational Test and Troubleshooting
Air Conditioning System Operation




