John Deere 1550CWS CIS Combine Diagnosis Test Manual TM8243
Language: English
Format: PDF
Document: Diagnosis Test Manual
Machine: Combine
Machine Model: 1550 CWS (060063-)
Pages: 769 Pages
Part Number: TM8243
Contents:
Foreword
Safety
Safety Information
Diagnostics
AHC-Active Header Control
Engine System
General Information
Test and Adjustment Procedures
Engine Diagnostics
Identification and Location of Components
Cooling and Air Intake Systems
General Information
Test and Adjustment Procedures
Air Intake System Diagnostic
Engine Cooling System Diagnostic
Identification and Location of Components
Electrical System
How To Use Diagnostic Information
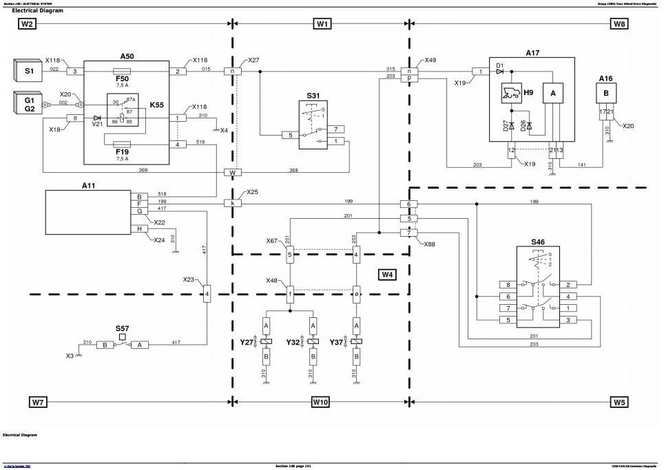
Electrical System Schematics
Fuse Board
Engine Start-Up System Diagnostic
Battery Recharging System Diagnostic
Engine Shut-Off System Diagnostic-(060063 - 060092)
Engine Shut-Off System Diagnostic-(060093 - )
Engine Speed Diagnostic-(060063 - 060092)
Engine Speed Diagnostic-(060093 - )
Engine Coolant Temperature Gauge Diagnostic
Engine Oil Pressure Gauge Diagnostic
Engine Air Filter Sensor Diagnostic
Fuse Tester Diagnostic
Fuel Level Gauge Diagnostic
Straw Walker Performance Monitor and Sensor Diagnostic
Cleaning Shoe Performance Monitor and Sensor Diagnostic
Cab Interior Lighting Diagnostic
Windshield Washer Motor Diagnostic
Windshield Wiper Motor Diagnostic
Grain Tank Lighting System Diagnostic
Radio Diagnostic
CB Radio Diagnostic
Parking Brake Diagnostic
Hydrostatic System Oil Temperature Diagnostic
Straw Chopper Impeller Speed Sensor Diagnostic
Tailings Elevator Auger Speed Sensor Diagnostic
Straw Walker Crankshaft Speed Sensor Diagnostic
Clean Grain Elevator Auger Speed Sensor Diagnostic
Cleaning Fan Speed Sensor Diagnostic
Hydraulic Oil Filter Sensor Diagnostic
Grain Tank Filling Level Sensor Diagnostic
Cigarette Lighter Diagnostic
Compressor Diagnostic of Air Seat
Headlights Diagnostic
Front Clearance Lights Diagnostic
Tail Light Diagnostic
Left-Hand Turn Signal Diagnostic
Right-Hand Turn Signal Light Diagnostic
Beacon Lights Diagnostic
Air Conditioning System Diagnostic
Unloading Auger Lighting System Diagnostic
Work Lights and Spot Lights On Mirror Arms Diagnostic
Cab Auxiliary Work Light Switch Diagnostic
Straw Chopper and Straw Walker Plugging Alarm Diagnostic
Reel Speed Adjustment Diagnostic
Brake Light Diagnostic
Separator Engage Diagnostic
Unloading Auger Engage Diagnostic
Header Engage Diagnostic
Feeder House Engage Reverser Diagnostic
INFO-TRAKINFO-TRAK is a trademark of the Deere & Company Monitor/ Drive Shaft Speed Monitor
Cleaning Fan Speed Adjustment Diagnostic
Threshing Cylinder Speed Adjustment Diagnostic
Concave Spacing Adjustment Diagnostic
Reel Extend/Retract Diagnostic
Reel Raise/Lower Diagnostic
Header Lateral Tilt Diagnostic
Header Raise/Lower Diagnostic (Manual)
Header Controller Board Diagnostic
Header Lateral Tilt and Height Control Diagnostic
Height Control Diagnostic-Rigid Cutting Platform Without Sensors
Unloading Auger Swing Diagnostic
Four Wheel Drive Diagnostic
Area Counter Diagnostic
Back-up Alarm Diagnostic-(060063 - 060092)
Sieves and Engine Compartment Lights Diagnostic
Header Calibration Procedures
Connector Data
Drive Train
Specifications
Checking Parts for Wear
Hydrostatic System Test
Transmission
Four-Wheel Drive
Two Speed Four-Wheel Drive
Brakes, Steering and Rear Axle
Brake System
Drum Brakes
Steering System
Hydraulic System
General Information
Hydraulic Schematic
Reel Hydraulic Motor
Hydraulic Pump Drive
Hydraulic Control Valve
Hydraulic System Troubleshooting
Identification and Location of Hydraulic Components
Cab
Cab and Operator`s Seat
Air Conditioning and Heating
Ventilation and Heating - Troubleshooting
Operational Test and Troubleshooting
Air Conditioning System Operation




