John Deere 1745 1750 1755 Planter Diagnostic Test Repair Technical Manual TM123019
Language: English
Format: PDF
Document: Diagnostic Test Repair Technical Manual
Machine: Planter
Machine Model: 1745, 1750, 1755
Pages: 723 Pages
Part Number: TM123019
Contents:
Foreword
General
Safety
Lubricants
General Information
Quick Reference Specifications
Welding
Repair and Welding
Planting Units (For Machine Model 1755 please refer to TM131319 Planter Frame and MaxEmerge 5 Row Unit Repair)
Vacuum Seed Metering Mechanisms
Plateless Seed Metering Mechanisms
Seed Openers
Closing Wheels
Insecticide/Herbicide Meter
Coulter
Troubleshooting
Electrical
Harness Routing and Component Locations
Control Console
Lighting
Harness and Connector Repair
Drives
Transmissions and Drives
Hydraulics
Cylinders
Vacuum Meter
General Information
Specifications
Field Testing
Diagnostic Trouble Codes
PM1 - Diagnostic Trouble Codes
PM2 - Diagnostic Trouble Codes
Observable Symptoms
Electrical
Hydraulic
Electrical Diagnostics
Calibration Procedures
Theory of Operation
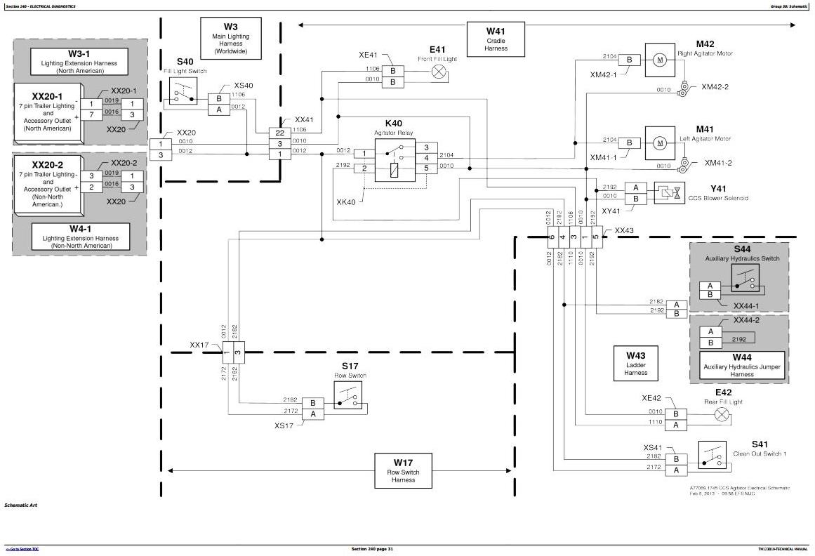
Schematic
Diagnostic Test and Adjustments
Electrical Control Units
SeedStar Main Control Unit - PM1 Diagnostic Addresses
SeedStar XP Meter Master Control Unit - PM2 Diagnostic Addresses
Electrical Component Information
Electrical Assemblies
Sensors
Lights
Fuses
Charging
Relays
Motors
Switches
Interconnects and Ground Points
Electronically Actuated Mechanical Devices
Hydraulic System Operation and Test
General Information
Calibration Procedures
Theory of Operation
Schematic
Diagnostic Test and Adjustments
Pneumatic Downforce Air Diagnostics
Calibration Procedure
Pneumatic Downforce Air Theory of Operation
Pneumatic Downforce Air Schematics
Pneumatic Downforce Air Diagnostics
Pneumatic Downforce Air Component Information
Accumulators
Sensors
Check Valves
Filters
Assembly Groups
Motors
Pumps
Reservoirs
Switches
Valves
Couplers or Diagnostics Receptacles
Solenoid Valves




