John Deere 1770 12RW-36 12RW-38 16RN-30 24RN-30 Plus Planter Diagnosis Test Manual TM1709
Language: English
Format: PDF
Document: Diagnosis Test Manual
Machine: Planter
Machine Model: 1770 12RW-36, 1770 12RW-38, 1770 16RN-30, 1770 24RN-30 Plus
Pages: 659 Pages
Part Number: TM1709
Contents:
Foreword
General Information
Safety
Lubricants
General Information/Dimensions
Welding
Repair and Welding
Planting Units
Vacuum Seed Metering Mechanisms
Plateless Seed Metering Mechanisms
Seed Openers
Closing Wheels
Insecticide/Herbicide Meter
Coulter
Pneumatic Down Force
Troubleshooting
Electrical
Specifications
Harness Repair
Control Console Repair
Switch Repair
Lighting Repair
Drives
Specifications
Drive Wheels
Countershaft Drive System
Seed Drive Transmission
Fertilizer Drive
Variable Rate Drive
Wheel Modules and Tires
Wheel Module Repair
Hydraulics
Vacuum Meter
Cylinders
Manifold Repair
Solenoid Valves
Electrical Operation and Test
General Information
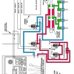
System Schematics
Planter Operational Checks
Diagnosing and Testing
Hydraulic System Operation and Test
General Information
Planter Operational Checks
Unlevel Frame for Machines Equipped WITHOUT Auto Rephase
Unlevel Frame for Machines Equipped WITH Auto Rephase
General Operations
Non-SEEDSTAR™Operations
SEEDSTAR™Operations
Theory of Operations




