John Deere 1770NT 12-Row Planter Frame Diagnostic Technical Manual TM111419
Language: English
Format: PDF
Document: Diagnostic Technical Manual
Machine: 12-Row Planter Frame
Machine Model: 1770NT 12ROW (SN. 740101-745000) (Worldwide)
Pages: 376 Pages
Part Number: TM111419
Contents:
Foreword
General Information
Safety
Observable Symptoms
Electrical
Hydraulics
Electrical System
How To Use This Diagnostic Information
Solenoid Sequence Table
Auxiliary Hydraulics Diagnostics
Auxiliary Power Diagnostics
CCS System - Agitator Diagnostics
CCS System - Blower Diagnostics
CCS System - Low Tank Warning Diagnostics
Convenience Outlet Diagnostics
Drawbar Hitch Diagnostics
Field Raise/Lower Diagnostics
Fold Diagnostics
Frame Control Console Diagnostics
Half Width Disconnect Diagnostics
Lighting - CCS Fill Lights Diagnostics
Lighting - Transport Lighting (E.U.) Diagnostics
Lighting - Transport Lighting (N.A.) Diagnostics
Markers - Auto Mode Diagnostics
Markers - Manual Mode Diagnostics
Transport Raise/Lower Diagnostics
Connector Information
Hydraulic System
General Information
Auxiliary Hydraulics Diagnostics
CCS Blower Diagnostics
Drawbar Hitch Diagnostics
Field Raise/Lower Diagnostics
Fold Diagnostics
Hydraulic Compressor Diagnostics
Independent Marker Diagnostics
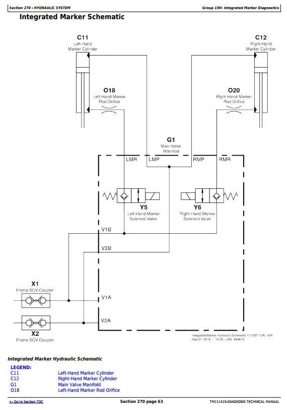
Integrated Marker Diagnostics
Transport Raise/Lower Diagnostics
Vacuum Diagnostics
Variable Rate Drive Diagnostics
Component Identification and Location




