John Deere 180CW 210CW Wheeled Excavator Repair Technical Manual TM2287
Language: English
Format: PDF
Document: Repair Technical Manual
Machine: Wheeled Excavator
Machine Model: 180CW, 210CW
Pages: 905 Pages
Part Number: TM2287
Contents:
Foreword
Technical Information Feedback Form
General Information
Safety
Torque Values
Wheels
Wheels and Fasteners
Axles, Differentials and Suspension Systems
Drive Axle Housing and Support
Differential or Bevel Drive
Axle Shaft, Bearings, and Reduction Gears
Transmission
Removal and Installation
Gears, Shafts, Bearings, and Power Shift Clutch
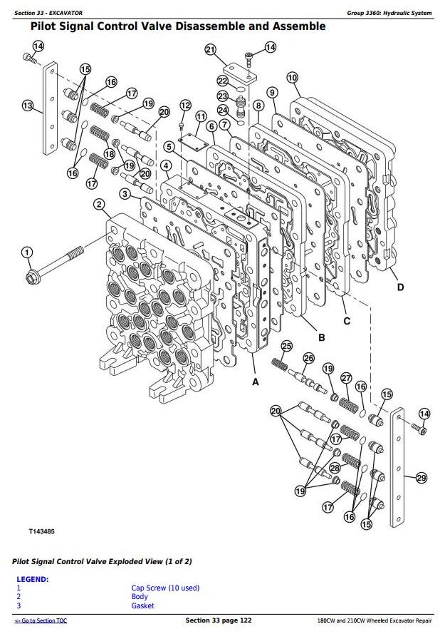
Hydraulic System
Engine
Removal and Installation
Engine Auxiliary System
Cooling System
Speed Controls
External Fuel Supply System
Dampener Drive
Removal and Installation
Steering System
Removal and Installation
Steering Hydraulic System
Service Brakes
Service Brake Active Elements
Service Brakes Hydraulics
Frame or Supporting Structure
Frame Installation
Chassis Weights
Operator`s Station
Removal and Installation
Operator Enclosure
Seat and Seat Belt
Heating and Air Conditioning
Excavator
Buckets
Frame
Hydraulic System
Swing or Pivoting System
Mechanical Drive Elements
Hydraulic System
Dealer Fabricated Tools
Dealer Fabricated Tools




