John Deere 180GLC Excavator Repair Technical Manual TM13195X19
Language: English
Format: PDF
Document: Repair Technical Manual
Machine: Excavator
Machine Model: 180GLC (PIN: 1F9180GX__D020001-)
Pages: 579 Pages
Part Number: TM13195X19
Contents:
Foreword
Manual Identification-READ THIS FIRST!
Technical Information Feedback Form
General Information
Safety
Torque Values
Tracks
Track System
Axles, Differentials and Suspension Systems
Axle Shaft, Bearings, and Reduction Gears
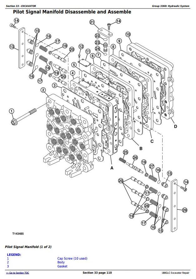
Hydraulic System
Engine
Removal and Installation
Engine Auxiliary System
Cooling Systems
Intake System
External Fuel Supply Systems
Damper Drive (Flex Coupling)
Elements
Frame or Supporting Structure
Frame Installation
Chassis Weights
Operator`s Station
Removal and Installation
Operator Enclosure
Seat and Seat Belt
Heating and Air Conditioning
Sheet Metal
Hood and Engine Side Shield
Excavator
Buckets
Frame
Hydraulic System
Swing or Pivoting System
Mechanical Drive Elements
Hydraulic System
Dealer Fabricated Tools
Dealer Fabricated Tools




