John Deere 190DW Wheeled Excavator Diagnostic Operation Test Manual TM10542
Language: English
Format: PDF
Document: Diagnostic Operation Test Manual
Machine: Wheeled Excavator
Machine Model: 190DW
Pages: 1412 Pages
Part Number: TM10542
Contents:
Foreword
Technical Information Feedback Form
General Information
Safety
Diagnostic Trouble Codes (DTC)
Main Controller (MCF) Diagnostic Trouble Codes
Engine Control Module (ECM) Diagnostic Trouble Codes
Information Controller (ICF) Diagnostic Trouble Codes
Air Conditioner Controller (ACF) Diagnostic Trouble Codes
Monitor Controller (MON) Diagnostic Trouble Codes
Option Controller (URF) Diagnostic Trouble Codes
Steering Column Monitor (SCM) Diagnostic Trouble Codes
Operational Checkout Procedure
Operational Checkout Procedure
Engine
Theory of Operation
Diagnostic Information
Test
Electrical System
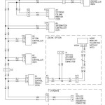
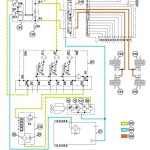
System Information
System Diagrams
Sub-System Diagnostics
Monitor Operation
References
Power Train
Theory of Operation
Diagnostic Information
Test and Adjustments
Hydraulic System
Theory of Operation
Diagnostic Information
Test
Heating and Air Conditioning
Theory of Operation
Diagnostic Information
Test
Reference Material
Terminology Cross Reference Chart
Dealer Fabricated Tools
Dealer Fabricated Tools




