John Deere 210G 210GLC Excavator Diagnostic Operation Test Manual TM12536
Language: English
Format: PDF
Document: Diagnostic Operation Test Manual
Machine: Excavator
Machine Model: 210G, 210GLC (PIN: 1FF210GX__C520001-) (T2/S2)
Pages: 1173 Pages
Part Number: TM12536
Contents:
Foreword
Technical Information Feedback Form
General Information
Safety
Diagnostics
Main Controller (MCZ) Diagnostic Trouble Codes
Engine Control Unit (ECU) Diagnostic Trouble Codes
Monitor Controller (DSZ) Diagnostic Trouble Codes
Air Conditioner Controller (ACF) Diagnostic Trouble Codes
Operational Checkout Procedure
Operational Checkout Procedure
Engine
Theory of Operation
Diagnostic Information
Adjustments
Test
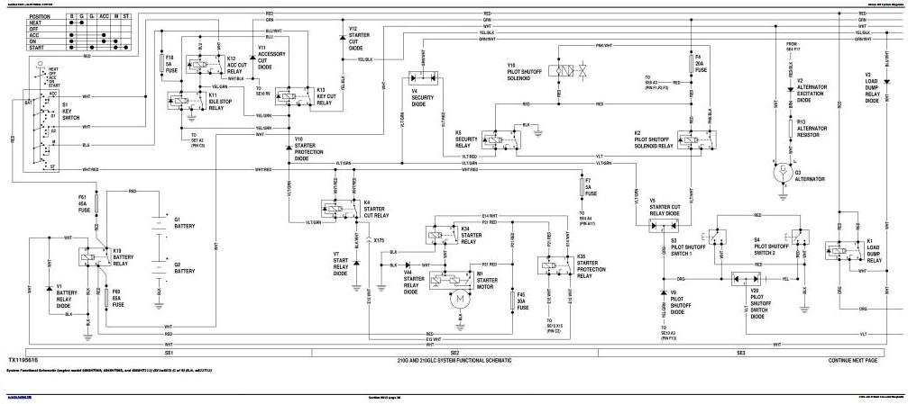
Electrical System
System Information
System Diagrams
Sub-System Diagnostics
Monitor Operation
References
Power Train
Theory of Operation
Diagnostic Information
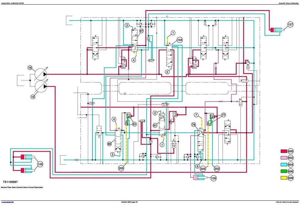
Hydraulic System
Theory of Operation
Diagnostic Information
Test
Heating and Air Conditioning
Theory of Operation
Diagnostic Information
Test
Dealer Fabricated Tools
Dealer Fabricated Tools




