John Deere 230GW Wheeled Excavator Diagnostic Operation Test Manual TM13249X19
Language: English
Format: PDF
Document: Diagnostic Operation Test Manual
Machine: Wheeled Excavator
Machine Model: 230GW (PIN: 1FF230GW__E061001-)
Pages: 1438 Pages
Part Number: TM13249X19
Contents:
Foreword
Manual Identification-READ THIS FIRST!
Technical Information Feedback Form
General Information
Safety
Diagnostic Trouble Codes (DTC)
Main Controller (MCZ) Diagnostic Trouble Codes
Option Controller (MC2) Diagnostic Trouble Codes
Engine Control Unit (ECU) Diagnostic Trouble Codes
Monitor Controller (DSZ) Diagnostic Trouble Codes
Information Controller (ICF) Diagnostic Trouble Codes
Air Conditioner Controller (ACF) Diagnostic Trouble Codes
Operational Checkout Procedure
Operational Checkout Procedure
Engine
Theory of Operation
Diagnostic Information
Adjustments
Test
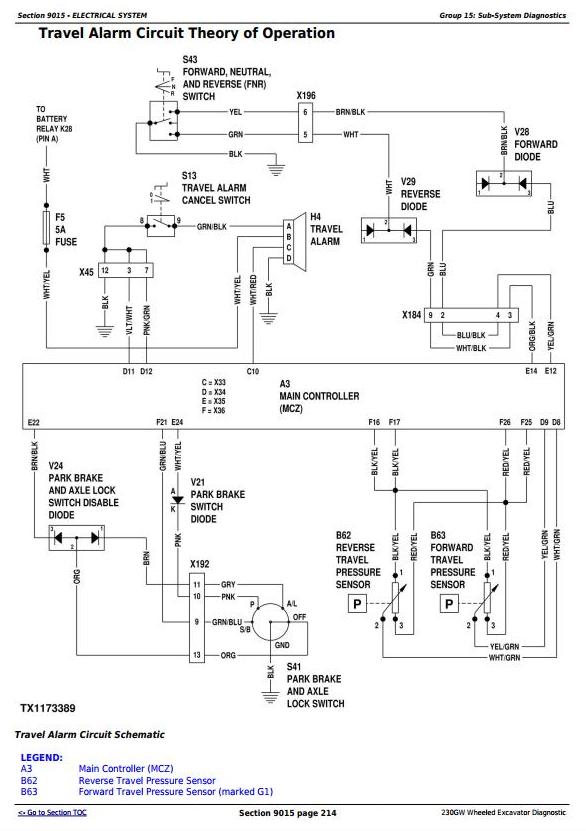
Electrical System
System Information
System Diagrams
Sub-System Diagnostics
Monitor Operation
References
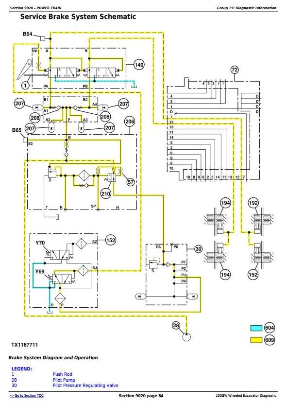
Power Train
Theory of Operation
Diagnostic Information
Test and Adjustments
Hydraulic System
Theory of Operation
Diagnostic Information
Test
Heating and Air Conditioning
Theory of Operation
Diagnostic Information
Test
Dealer Fabricated Tools
Dealer Fabricated Tools




