John Deere 240DLC 270DLC Excavators Diagnostic Technical Manual TM2320
Language: English
Format: PDF
Document: Diagnostic Technical Manual
Machine: Excavators
Machine Model: 240DLC, 270DLC
Pages: 1187 Pages
Part Number: TM2320
Contents:
Foreword
Technical Information Feedback Form
General Information
Safety
Diagnostics
Main Controller (MCF) Diagnostic Trouble Codes
Engine Control Unit (ECU) Diagnostic Trouble Codes
Information Controller (ICF) Diagnostic Trouble Codes
Air Conditioner Controller (ACF) Diagnostic Trouble Codes
Monitor Controller (MON) Diagnostic Trouble Codes
Operational Checkout Procedure
Operational Checkout Procedure
Engine
Theory of Operation
Diagnostic Information
Test
Electrical System
System Information
System Diagrams-240DLC
System Diagrams-270DLC
Sub-System Diagnostics
Monitor Operation
References
Power Train
Theory of Operation
Diagnostic Information
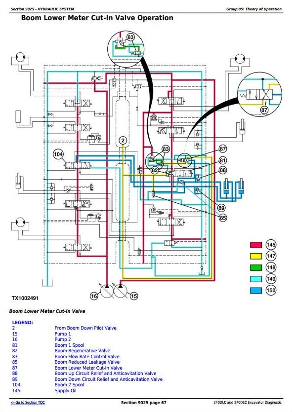
Hydraulic System
Theory of Operation
Diagnostic Information
Test-240DLC and 270DLC
Test-240DLC
Test-270DLC
Heating and Air Conditioning
Theory of Operation
Diagnostic Information
Test
Reference Material
Terminology Cross Reference Chart
Dealer Fabricated Tools
Dealer Fabricated Tools




