John Deere 250C Articulated Dump Truck Repair Technical Manual TM1786
Language: English
Format: PDF
Document: Repair Technical Manual
Machine: Articulated Dump Truck
Machine Model: 250C
Pages: 842 Pages
Part Number: TM1786
Contents:
Foreword
Technical Information Feedback Form
General Information
Safety
General Specifications
Torque Values
Fuels and Lubricants
Wheels
Powered Wheels and Fastenings
Axles and Suspension Systems
Removal and Installation
Differential or Bevel Drive
Input Drive Shafts and U-Joints
Axle Mounting Parts
Axle Shaft, Bearings, and Reduction Gears
Transmission
Removal and Installation
Input Drive Shafts and U-Joints
Mounting Parts
Gear, Shafts, and Power Shift Clutches
Transmission Hydraulic System
Engine
Removal and Installation
Crankshaft, Main Bearings, and Flywheel
Camshaft and Timing Gear Train
Cylinder Block, Liners, Pistons and Rods
Lubrication System
Cylinder Head and Valves
Exhaust System
Fuel Injection System
Air Intake Manifold System
Turbocharger
Cooling System
Thermostat, Housing and Water Piping
Engine Auxiliary System
Cold Weather Starting Aids
Cooling Systems
Speed Controls and Fuel Shut-Off Linkage
Intake System
External Exhaust Systems
Engine Mounting
External Fuel Supply Systems
Connector Drive (Flex Plate)
Removal and Installation
Transfer Drive
Removal and Installation
Gears, Shafts, and Bearings
Steering System
Secondary Steering
Hydraulic System
Service Brakes
Active Elements
Service Brake Hydraulic System
Park Brake
Active Elements
Electrical System
Batteries, Support, and Cables
Alternator, Regulator and Charging System Wiring
Lighting System
Wiring Harness and Switches
System Controls
Instruments and Indicators
Motors and Actuators
Frame and Supporting Structure
Frame Installation
Frame Bottom Guards
Operator`s Station
Removal and Installation
Operator Enclosure
Seat and Seat Belt
Steps and Handholds
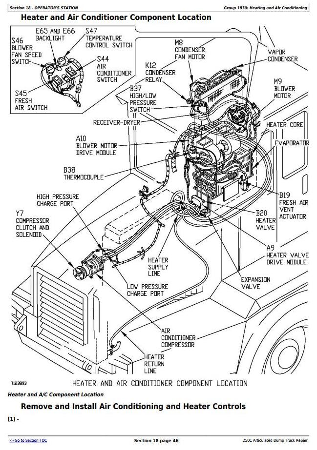
Heating and Air Conditioning
Sheet Metal and Styling
Hood or Engine Enclosure
Safety and Convenience
Mirror
Horn and Warning Devices
Main Hydraulic System
Hydraulic System
Pneumatic Systems
Pumps and Drives Air Compressor
Pneumatic Control Valves
Reservoir, Filter, and Trap
Pneumatic Cylinders
Haulage Device
Frame
Hydraulic System
PTO (Power Take-Off)
Removal and Installation
Dealer Fabricated Tools
Dealer Fabricated Tools




