John Deere 250D 300D Articulated Dump Truck Diagnostic Operation Test Manual TM2115
Language: English
Format: PDF
Document: Diagnostic Operation Test Manual
Machine: Articulated Dump Truck
Machine Model: 300D (BELL SN: 200537-201811; DW SN: 599286-609165), 250D (BELL SN: 200537-201811; DW SN: 599286-609165)
Pages: 530 Pages
Part Number: TM2115
Contents:
Foreword
Technical Information Feedback Form
General Information
Safety
Operational Checkout Procedure
Operational Checkout Procedure
Engine
Theory of Operation
Diagnose Engine Malfunctions
Adjustments
Test
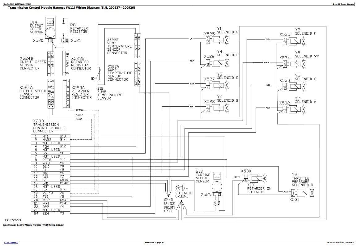
Electrical System
System Information
System Diagrams
Sub-System Diagnostics
References
Power Train
Theory of Operation
Diagnostic Information
Test
Pneumatic System
Theory of Operation
Diagnostic Information
Test
Hydraulic System
Theory of Operation
Diagnostic Information
Test
Heating and Air Conditioning
Theory of Operation
Diagnostic Information
Test




