John Deere 250D 300D Articulated Dump Truck Operation Test Manual TM1950
Language: English
Format: PDF
Document: Operation Test Manual
Machine: Articulated Dump Truck
Machine Model: 300D 200366–200536 (Bell), 250D 200366–200536 (Bell)
Pages: 421 Pages
Part Number: TM1950
Contents:
Foreword
Technical Information Feedback Form
General Information
Safety
Operational Checkout Procedure
Operational Checkout Procedure
Engine
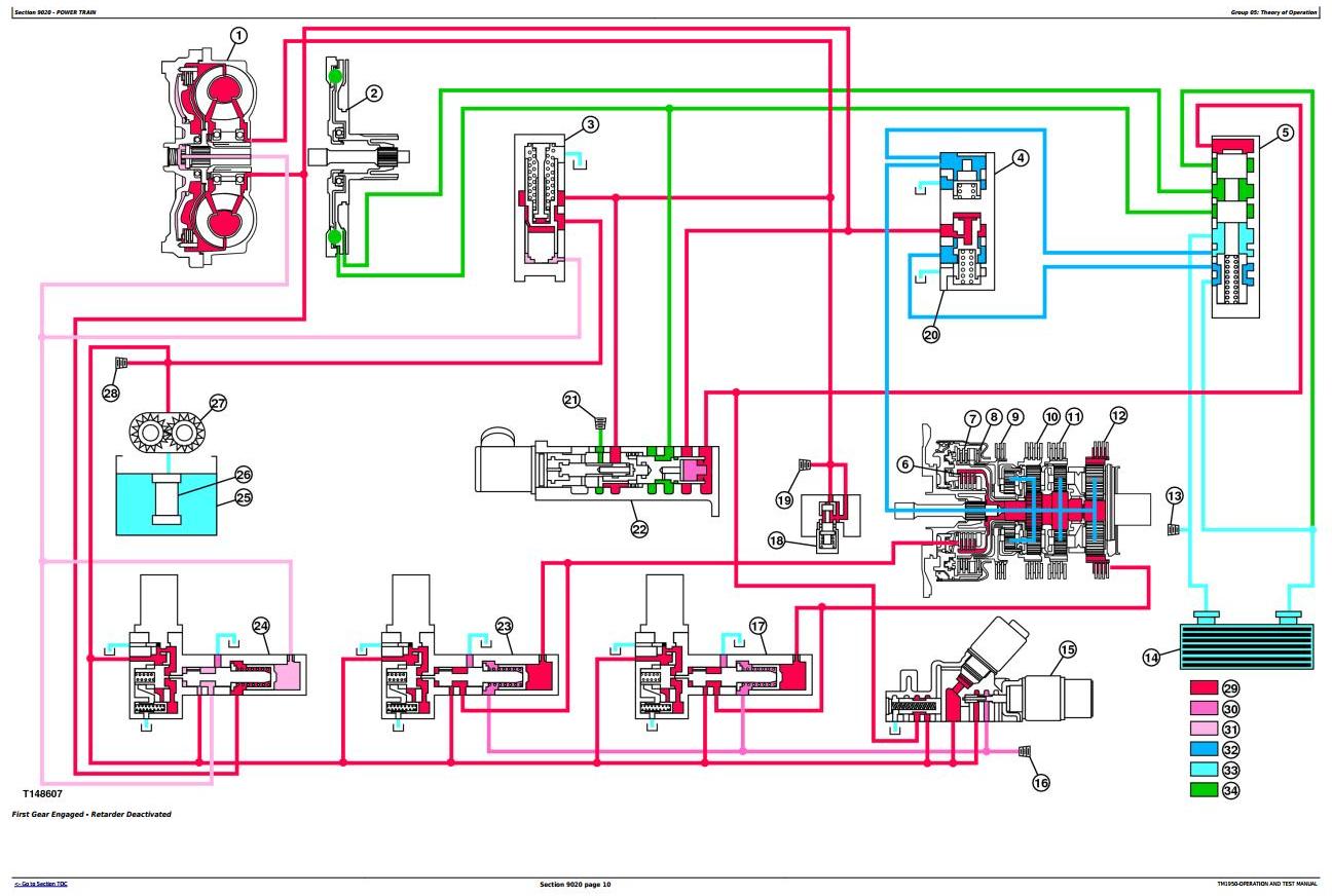
Theory of Operation
Diagnose Engine Malfunctions
Adjustments
Test
Electrical System
System Information
System Diagrams
Sub-System Diagnostics
References
Power Train
Theory of Operation
Diagnostic Information
Test
Pneumatic System
Theory of Operation
Diagnostic Information
Test
Hydraulic System
Theory of Operation
Diagnostic Information
Test
Heating and Air Conditioning
Theory of Operation
Diagnostic Information
Test




