John Deere 26G Compact Excavator Operation Test Manual TM13323X19
Language: English
Format: PDF
Document: Operation Test Manual
Machine: Compact Excavator
Machine Model: 26G (PIN: 1FF026GX**K260001—) (SN.2060001-)
Pages: 332 Pages
Part Number: TM13323X19
Contents:
Foreword
Manual Identification-READ THIS FIRST!
Technical Information Feedback Form
General Information
Safety
Operational Checkout Procedure
Operational Checkout Procedure
Engine
Theory of Operation
Diagnostic Information
Adjustments
Test
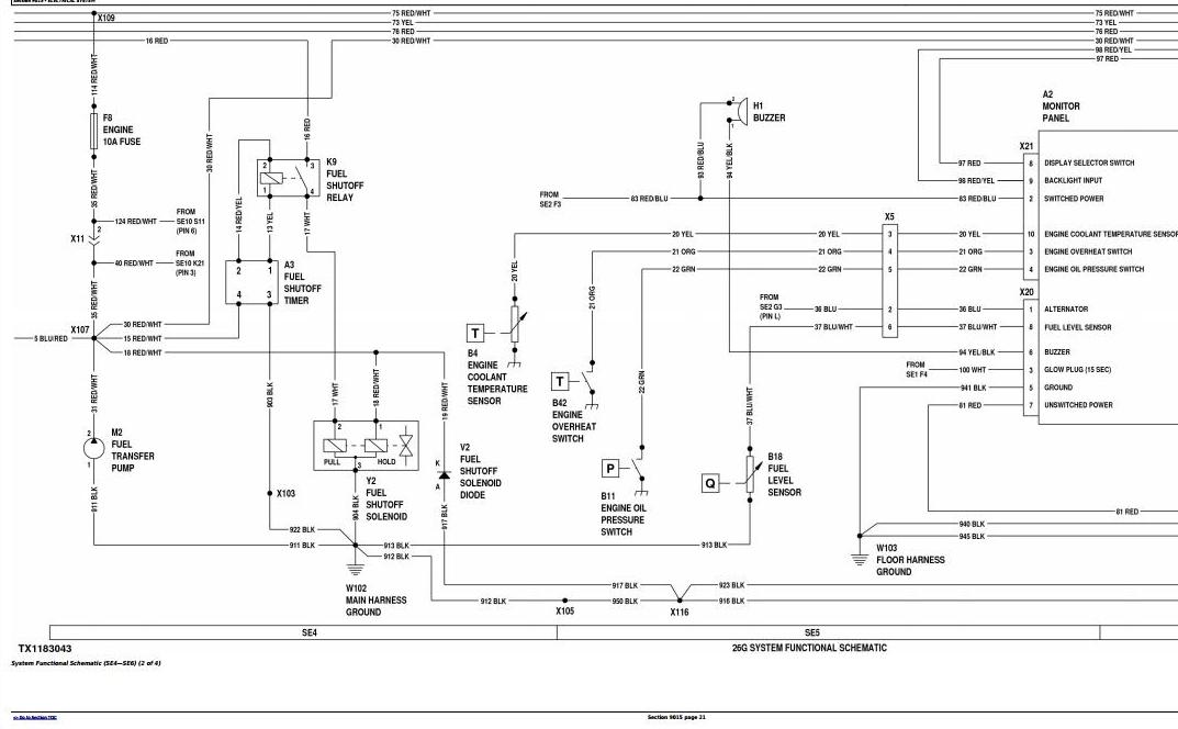
Electrical System
System Information
System Diagrams
Sub-System Diagnostics
References
Power Train
Theory of Operation
Diagnostic Information
Hydraulic System
Theory of Operation
Diagnostic Information
Test
Heating
Diagnostic Information
Test




