John Deere 27D Excavator Repair Technical Manual TM2356
Language: English
Format: PDF
Document: Repair Technical Manual
Machine: Excavator
Machine Model: 27D
Pages: 450 Pages
Part Number: TM2356
Contents:
Foreword
Technical Information Feedback Form
General Information
Safety
Torque Values
Tracks
Track System
Axles and Suspension Systems (Travel)
Axle Shaft, Bearings, and Reduction Gears
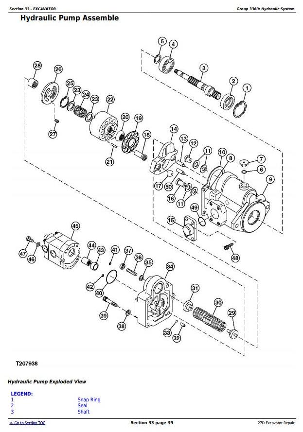
Hydraulic System
Engine
Removal and Installation
Engine Auxiliary Systems
Cooling System
External Fuel Supply Systems
Frame or Supporting Structure
Frame Installation
Chassis Weights
Operators Station
Removal and Installation
Seat and Seat Belt
Heating and Air Conditioning System
Bulldozers (Blade)
Blades
Hydraulic System
Excavator
Buckets
Frame
Hydraulic System
Swing or Pivoting System
Mechanical Drive Elements
Hydraulic System
Dealer Fabricated Tools
Dealer Fabricated Tools




