John Deere 3010 3020 Tractor Service Manual SM2038
Language: English
Format: PDF
Document: Service Manual
Machine: Tractor
Machine Model: 3010 Row-Crop, 3010 Standard, 3010 Utility, 3010 Orchard, 3020 Row-Crop, 3020 Standard, 3020 Hi-Crop, 3020 Utility, 3020 Orchard,
Pages: 794 Pages
Part Number: SM2038
Contents:
Description, Operation, and Specifications
Specifications
Lubrication and Periodic Services
Engine Tune-Up and Tractor Adjustment
Basic Engine
Engine Lubrication System
Engine Cooling System
Gasoline and LP-Gas Fuel Systems
Diesel Fuel System
Clutch (Syncro-Range, Including PTO)
Clutch (Power Shift)
Syncro-Range Transmission
Power Shift Transmission
Differential
Final Drive System
Power Take-Off (Syncro-Range) and Belt Pulley
Power Take-Off (Power Shift)
Sheet Metal
Electrical System
Seats
Front Axle Equipment
Wheels, Tires, and Weights
Hydraulic System
Hydraulic Pumps
Power Steering
Power Brakes
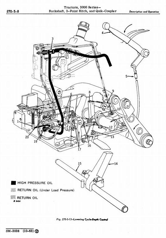
Rockshaft and 3-Point Hitch
Remote Cylinder Selective Control Valve
Breakaway Couplers and Remote Cylinders
Drawbar
Trouble Shooting
Special Tools




