John Deere 3020 Row-Crop Tractor Technical Manual TM1005
Language: English
Format: PDF
Document: Technical Manual
Machine: Tractor
Machine Model: 3020 (SN. 123000-)
Pages: 358 Pages
Part Number: TM1005
Contents:
GENERAL
Specifications
Predelivery, Delivery, and After-Sale Services
Tune-up
Lubrication
Separation
ENGINE
General Information and Diagnosis
Cylinder Head and Camshaft
Cylinder Block, Liners, Pistons, and Rods
Crankshaft, Main Bearings, Flywheel, and Balancer
Lubrication System
Cooling System
Governor and Speed Control Linkage
FUEL SYSTEMS
Diagnosing Malfunctions
Diesel Fuel System
Gasoline Fuel System
LP-Gas Fuel System
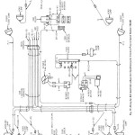
ELECTRICAL SYSTEM
Information and Wiring Diagrams
Charging Circuit
Starting Circuit
Ignition System
Lighting and Accessory Circuits
POWER TRAIN
Syncro-Range Transmission and PTO Clutches
Syncro-Range Transmission
Engine Disconnect Clutch
Power Shift Transmission
Differential
Final Drive
Hi-Crop Final Drive
Syncro-Range PTO
Power Shift PTO
Belt Pulley
Power Front Wheel Drive
STEERING AND BRAKES
General Information
HYDRAULIC SYSTEM
General Information, Diagnosis, and Test
Main Reservoir, Filters, Valves, Oil Cooler, and Oil Reservoir
Hydraulic Pumps
Power Steering
Power Brakes
Rockshaft and Implement Hitches
Selective Control Valve, Breakaway Couplers, and Remote Cylinders
MISCELLANEOUS
Conventional Front Axle
Power Front Wheel Drive Axle




