John Deere 3032E 3036E 3038E Compact Utility Tractor Diagnostic Repair Manual TM100619
Language: English
Format: PDF
Document: Diagnostic Repair Manual
Machine: Compact Utility Tractor
Machine Model: 3032E, 3036E, 3038E (SN. 010001-60999)
Pages: 759 Pages
Part Number: TM100619
Contents:
Foreword
Safety
Safety
Specifications and Information
General Specifications
Fuel and Lubricants
Serial Number Locations
Engine-Diesel
Specifications
Component Location
Theory of Operation
Diagnostics
Test and Adjustments
Repair
Electrical
General Information
Specifications
Component Location
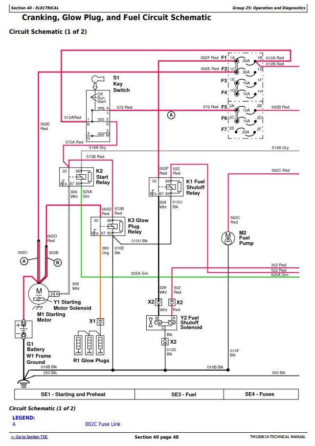
Schematics and Harnesses
Operation and Diagnostics
Test and Adjustments
Repair
Export Electrical
Component Location
Schematics and Harnesses
Operation and Diagnostics
Power Train
Specifications
Component Location
Theory of Operation
Diagnostics
Troubleshooting
Test and Adjustments
Repair
Hydraulics
Specifications
Component Location and Schematics
Theory of Operation
Troubleshooting
Test and Adjustments
Repair
Steering
Specifications
Component Location
Theory of Operation
Diagnostics
Test and Adjustments
Repair
Brakes
Specifications
Component Location
Theory of Operation
Diagnostics
Test and Adjustments
Repair
Miscellaneous
Specifications
Component Location
Repair




