John Deere 310J Backhoe Loader Repair Technical Manual TM10847
Language: English
Format: PDF
Document: Repair Technical Manual
Machine: Backhoe Loader
Machine Model: 310J (S.N. from 159760)
Pages: 782 Pages
Part Number: TM10847
Contents:
Foreword
Technical Information Feedback Form
General Information
Safety Information
Torque Values
Wheels
Powered or Non-Powered Wheels and Fastenings
Axles and Suspension Systems
Input Drive Shafts and U-Joints
Non-Powered Wheel Axles
Powered Wheel Axle (MFWD)
Axle Shaft, Bearings, and Reduction Gears
Transmission
Removal and Installation
Controls Linkage
Gears, Shafts, and Power Shift Clutches
Hydraulic System
Engine
Removal and Installation
Engine Auxiliary Systems
Cold Weather Starting Aid
Cooling System
Speed Controls
Intake System
Exhaust System
External Fuel Supply System
Torque Converter
Turbine, Gears, and Shaft
Steering System
Hydraulic System
Service Brakes
Active Elements
Hydraulic System
Park Brake
Active Elements
Frame Chassis or Supporting Structure
Frame Installation
Chassis Weights
Operator’s Station
Removal and Installation
Operator Enclosure
Seat and Seat Belt
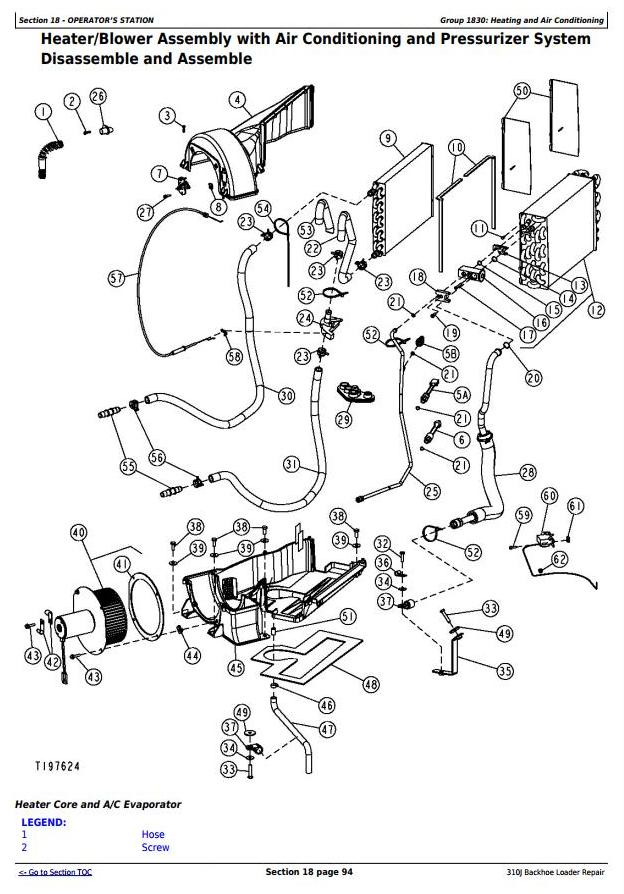
Heating and Air Conditioning
Sheet Metal and Styling
Hood and Engine Enclosure
Miscellaneous Shields
Grille and Grille Housing
Fenders
Safety Convenience and Miscellaneous
Radio
Horn and Warning Devices
Main Hydraulic System
Hydraulic System
Loader
Loader
Bucket
Attachment Coupler
Control Linkages
Hydraulic System
Backhoe
Bucket
Control Linkage
Frame
Hydraulic System
Grapple
Backhoe Hydraulic Thumb
Backhoe Hydraulic Thumb Cylinder
Dealer Fabricated Tools
Dealer Fabricated Tools




