John Deere 310K Backhoe Loader Repair Technical Manual TM12436
Language: English
Format: PDF
Document: Repair Technical Manual
Machine: Backhoe Loader
Machine Model: 310K (PIN:1T0310KX**E219607-) iT4 S3B, SN: E219607-
Pages: 723 Pages
Part Number: TM12436
Contents:
Foreword
Manual Identification-READ THIS FIRST!
General Information
Safety
Torque Values
Wheels
Powered or Non-Powered Wheels and Fastenings
Axles and Suspension Systems
Input Drive Shafts and U-Joints
Non-Powered Wheel Axles
Powered Wheel Axle (MFWD)
Axle Shaft, Bearings, and Reduction Gears
Transmission
Removal and Installation
Controls Linkage
Gear, Shafts, and Power Shift Clutches
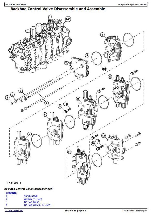
Hydraulic System
Engine
Removal and Installation
Engine Auxiliary System
Cold Weather Starting Aids
Cooling Systems
Speed Controls
Intake System
Exhaust Systems
External Fuel Supply Systems
Torque Converter
Turbine, Gears, and Shaft
Steering System
Hydraulic System
Service Brakes
Active Elements
Hydraulic System
Park Brake
Active Elements
Frame or Supporting Structure
Frame Installation
Chassis Weights
Operator`s Station
Removal and Installation
Operator Enclosure
Seat and Seat Belt
Heating and Air Conditioning
Sheet Metal and Styling
Hood or Engine Enclosure
Miscellaneous Shields
Grille and Grille Housing
Safety and Convenience
Radio
Horn and Warning Devices
Main Hydraulic System
Hydraulic System
Loader
Loader
Bucket
Attachment Coupler
Control Linkage
Hydraulic System
Backhoe
Bucket
Control Linkage
Frame
Hydraulic System
Grapple
Backhoe Hydraulic Thumb
Backhoe Hydraulic Thumb Cylinder
Dealer Fabricated Tools
Dealer Fabricated Tools




