John Deere 310L Backhoe Loader Diagnostic Operation Test Manual TM13291X19
Language: English
Format: PDF
Document: Diagnostic Operation Test Manual
Machine: Backhoe Loader
Machine Model: 310L (PIN: 1T0310LX**C273920-; 1T0310LX**D273920-)
Pages: 899 Pages
Part Number: TM13291X19
Contents:
Foreword
Manual Identification-READ THIS FIRST!
General Information
Safety
Diagnostics
Engine Control Unit (ECU) Diagnostic Trouble Codes
Engagement and Monitor Unit (EMU) Diagnostic Trouble Codes
Transmission Control Unit (TCU) Diagnostic Trouble Codes
Vehicle Control Unit (VCU) Diagnostic Trouble Codes
Auxiliary Valve Controller (AVC) Diagnostic Trouble Codes
Vehicle Control Unit 2 (VC2) Diagnostic Trouble Codes
Operational Checkout Procedure
Operational Checkout Procedure
Engine
Theory of Operation
System Diagrams
Diagnostic Information
Adjustments
Test
Electrical System
Theory of Operation
System Diagrams
Diagnostic Information
Monitor Operation
Diagnostic Test Box
Test
Power Train
Theory of Operation
System Diagrams
Diagnostic Information
Adjustments
Test
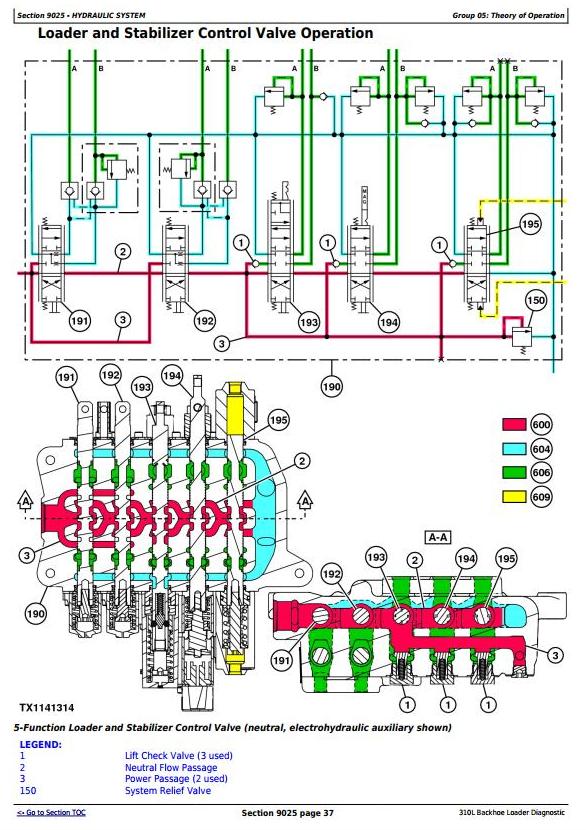
Hydraulic System
Theory of Operation
System Diagrams
Diagnostic Information
Adjustments
Test
Heating and Air Conditioning
Theory of Operation
System Diagrams
Diagnostic Information
Test




