John Deere 310SL Backhoe Loader Operation Test Manual TM13297X19
Language: English
Format: PDF
Document: Operation Test Manual
Machine: Backhoe Loader
Machine Model: 310SL (PIN: 1T0310SL__F273920-)
Pages: 1010 Pages
Part Number: TM13297X19
Contents:
Foreword
Manual Identification-READ THIS FIRST!
General Information
Safety
Diagnostics
Engine Control Unit (ECU) Diagnostic Trouble Codes
Standard Display Monitor (SDM) Diagnostic Trouble Codes
Transmission Control Unit (TCU) Diagnostic Trouble Codes
Vehicle Control Unit (VCU) Diagnostic Trouble Codes
Auxiliary Valve Controller (AVC) Diagnostic Trouble Codes
Sealed Switch Module (SSM) Diagnostic Trouble Codes
Vehicle Control Unit 2 (VC2) Diagnostic Trouble Codes
Operational Checkout Procedure
Operational Checkout Procedure
Engine
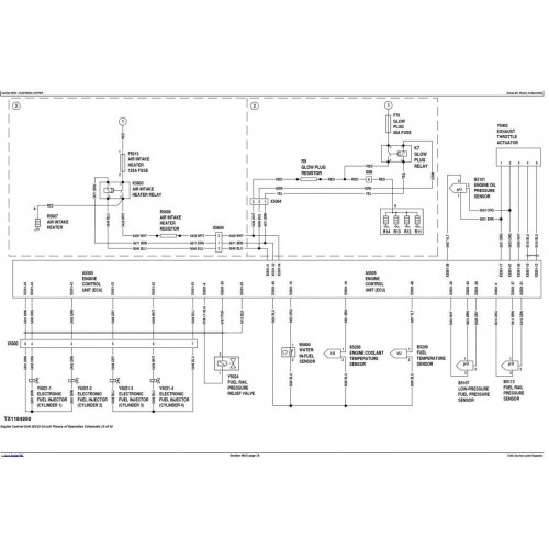
Theory of Operation
System Diagrams
Diagnostic Information
Adjustments
Test
Electrical System
Theory of Operation
System Diagrams
Diagnostic Information
Monitor Operation
Diagnostic Test Box
Test
Power Train
Theory of Operation
System Diagrams
Diagnostic Information
Adjustments
Test
Hydraulic System
Theory of Operation
System Diagrams
Diagnostic Information
Adjustments
Test
Heating and Air Conditioning
Theory of Operation
System Diagrams
Diagnostic Information
Test




