John Deere 3154G Forestry Excavator Operation Test Technical Manual TM14027X19
Language: English
Format: PDF
Document: Operation Test Technical Manual
Machine: Forestry Excavator
Machine Model: 3154G (PIN: 1FF3154G_ _D310001—)
Pages: 432 Pages
Part Number: TM14027X19
Contents:
Foreword
Manual Identification - READ THIS FIRST!
Technical Information Feedback Form
General Information
Safety
Diagnostics
Main Controller (MCZ) Diagnostic Trouble Codes
Cab Control Module (CCM) Diagnostic Trouble Codes
Attachment and Light Controller (ALC) Diagnostic Trouble Codes
Attachment Controller (ACM) Diagnostic Trouble Codes
Flex Power Controller (FPC) Diagnostic Trouble Codes
Engine Control Unit (ECU) Diagnostic Trouble Codes
Monitor Controller (DSZ) Diagnostic Trouble Codes
Information Controller (ICZ) Diagnostic Trouble Codes
Air Conditioner Controller (ACF) Diagnostic Trouble Codes
Operational Checkout Procedure
Operational Checkout Procedure
Engine
Theory of Operation
Diagnostic Information
Adjustments
Test
Electrical System
System Information
System Diagrams
Sub - System Diagnostics
Monitor Operation
References
Power Train
Theory of Operation
Diagnostic Information
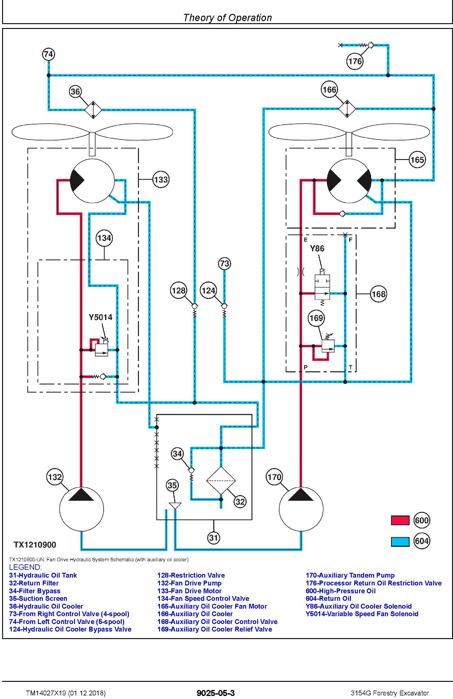
Hydraulic System
Theory of Operation
Diagnostic Information
Test
Heating and Air Conditioning
Theory of Operation
Diagnostic Information
Test
Dealer Fabricated Tools
Dealer Fabricated Tools




