John Deere 315SJ Side Shift Loader Diagnostic Operation Test Manual TM10227
Language: English
Format: PDF
Document: Diagnostic Operation Test Manual
Machine: Side Shift Loader
Machine Model: 315SJ (SN before BE315SJ300868)
Pages: 739 Pages
Part Number: TM10227
Contents:
Foreword
Technical Information Feedback Form
General Information
Safety Information
Diagnostics
Engine Control Unit (ECU)
Flex Load Controller (FLC)
Standard Display Monitor (SDM)
Operational Checkout Procedure
Operational Checkout Procedure
Engine
Theory of Operation
Diagnostic Information
Adjustments
Test
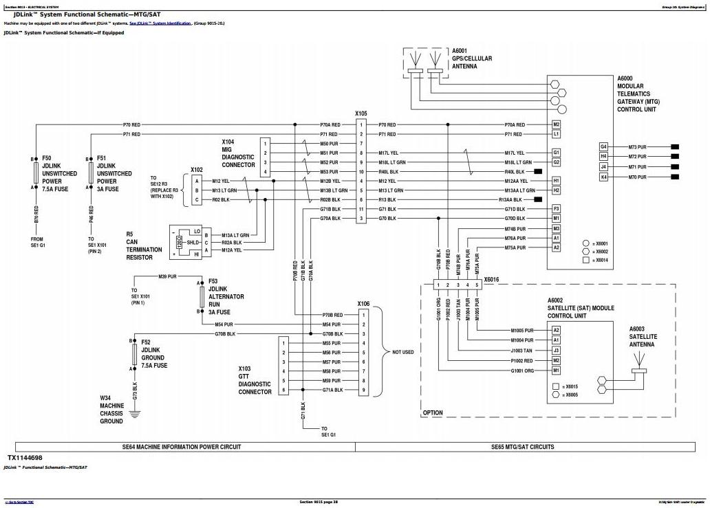
Electrical System
System Information
System Diagrams
Sub-System Diagnostics
Monitor Operation
References
Power Train
Theory of Operation
Diagnostic Information
Adjustments
Test
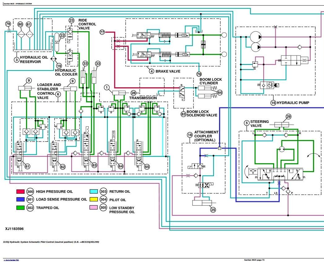
Hydraulic System
Theory of Operation
Diagnostic Information
Adjustments
Test
Heating and Air Conditioning
Theory of Operation
Diagnostic Information
Test




