John Deere 316 318 420 Technical Manual TM1590 CTM2
Size: 32.2 MB
Machine: Tractor
Machine Model: 316 318 420
Publication Date: 1995
Page: 442 For Technical Manual
Page: 226 For Onan Engines
Part Number: TM1590 CTM2
Table of Content:
General Information
Engine Repair (For Engine Repairs Use Ctm2)
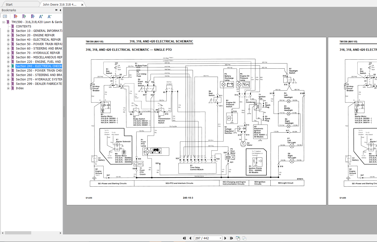
Electrical Repair
Power Train Repair
Steering And Brake Repair
Hydraulic Repair
Miscellaneous Repair
Engine, Fuel And Air System Checkout And Diagnosis
Electrical Checkout, Operation And Diagnosis
Power Train Checkout, Operation And Diagnosis
Steering And Brakes Checkout, Operation And Diagnosis
Hydraulic System Checkout, Operation And Diagnosis
Dealer Fabricated Tools
Index
Machine No. Engine Model
316 . . . . . . . . . . . . . . B43E or P218G 16hp
318 . . . . . . . . . . . . . . B43G or P218G 18hp
420 . . . . . . . . . . . . . . B48G or P220G 20hp
F910 . . . . . . . . . . . . . B48G or P220G 20hp
F930 . . . . . . . . . . . . . . T260 24hp




