John Deere 3203 Compact Utility Tractor Diagnostic Repair Manual TM1150
Language: English
Format: PDF
Document: Diagnostic Repair Manual
Machine: Compact Utility Tractor
Machine Model: 3203
Pages: 461 Pages
Part Number: TM1150
Contents:
Manual Description
Safety
Specifications & Information
Engine - Diesel
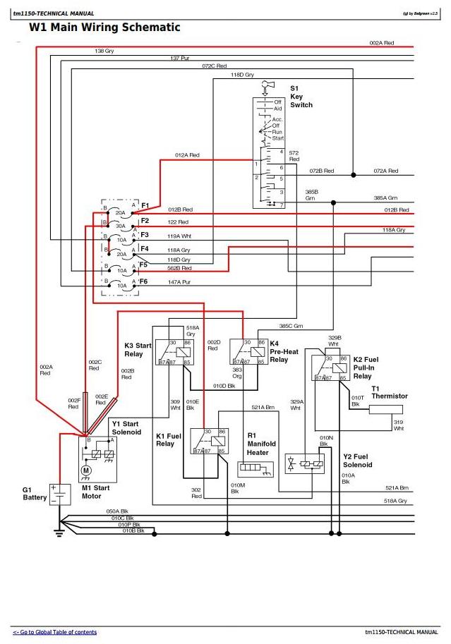
Electrical
Power Train - Hydrostatic
Power Train - Final Drive
Hydraulics
Steering
Brakes
Miscellaneous




