John Deere 322 330 332 430 Lawn Garden Tractor Technical Manual TM1591
Language: English
Format: PDF
Document: Technical Manual
Machine: Lawn Garden Tractor
Machine Model: 322 330 332 430
Pages: 566 Pages
Part Number: TM1591
Contents:
SECTION 10-GENERAL INFORMATION
Group 05-Safety
Group 10-General Specifications
Group 15-Repair Specifications
Group 20-Test and Adjustment Specifications
Group 25-Fuels and Lubricants
Group 30-Serial Number Locations
SECTION 20-ENGINE REPAIR
Group 05-Engine-322
Group 06-Engine-330, 332 and 430
SECTION 40-ELECTRICAL REPAIR
Group 05-Front PTO Clutch
SECTION 50-POWER TRAIN REPAIR
Group 05-Transmission
Group 10-Transmission Control Linkage
Group 15-Differential
Group 20-Rear Axles
Group 25-Drive Shaft-322, 330 and 332
Group 26-Drive Shaft-430
SECTION 60-STEERING AND BRAKE REPAIR
Group 05-Steering-330
Group 06-Steering-322, 332 and 430
Group 10-Brakes
SECTION 70-HYDRAULIC REPAIR
Group 05-Hydraulic Control Valve
SECTION 80-MISCELLANEOUS REPAIR
Group 05-Front Axle
Group 10-Mower Spindle and Jack Sheave Repair
Group 15-Mower Gear Case Repair
SECTION 220-ENGINE, FUEL AND AIR SYSTEM CHECKOUT AND DIAGNOSIS
Group 05-Engine, Fuel and Air System Checkout
Group 10-Diagnosis, Test and Adjustments-322
Group 11-Diagnosis, Test and Adjustments-330, 332 and 430
SECTION 240-ELECTRICAL SYSTEM CHECKOUT, OPERATION AND DIAGNOSIS
Group 05-Electrical System Checkout
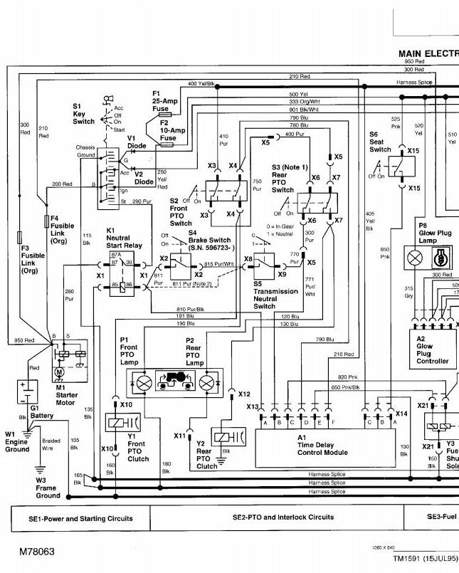
Group 10-Electrical Schematics
Group 15-Component Location and Operation
Group 20-Electrical System Diagnosis
Group 25-Electrical System Component Test and Adjustments
SECTION 250-POWER TRAIN CHECKOUT, OPERATION AND DIAGNOSIS
Group 05-Power Train Checkout
Group 10-Theory of Operation
Group 15-Diagnosis, Test and Adjustments
SECTION 260-STEERING AND BRAKES CHECKOUT, OPERATION AND DIAGNOSIS
Group 05-Steering And Brakes System Checkout
Group 10-Theory of Operation
Group 15-Diagnosis, Test and Adjustments
SECTION 270-HYDRAULIC SYSTEM CHECKOUT, OPERATION AND DIAGNOSIS
Group 05-Hydraulic System Checkout
Group 10-Hydraulic Schematics
Group 15-Theory of Operation
Group 20-Diagnosis, Test and Adjustments
SECTION 299-DEALER FABRICATED TOOLS
Group 00-Dealer Fabricated Tools
Index




