John Deere 324H 344H 4WD Loader Repair Technical Manual TM1746
Language: English
Format: PDF
Document: Repair Technical Manual
Machine: Loader
Machine Model: 324H, 344H
Pages: 589 Pages
Part Number: TM1746
Contents:
Foreword
Help!! Help!! Help!! Help!!
General Information
Safety Information
General Specifications
Torque Values
Fuels And Lubricants
Wheels
Wheels And Fasteners
Axles And Suspension Systems
Removal And Installation
Axle Shafts And U-Joints
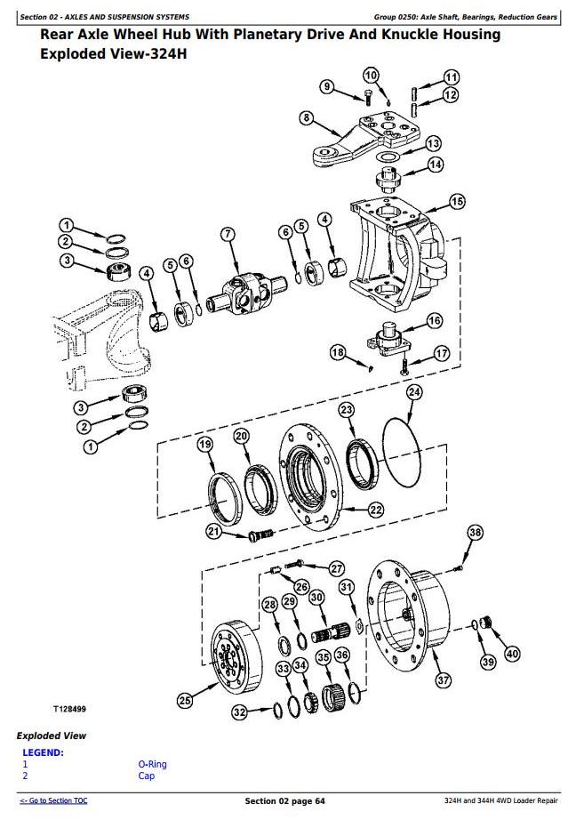
Axle Shaft, Bearings, Reduction Gears
Hydrostatic Transmission
Hydrostatic Components Removal And Installation
Hydrostatic Components Repair
Engine
Removal And Installation
Engine Auxiliary Systems
Cold Weather Starting Aids
Cooling System
Speed Controls
Intake System
External Exhaust System
External Fuel Supply Systems
Dampener Drive
Elements
Steering System
Power Steering
Hydraulic System
Service Brakes
Active Elements
Hydraulic System
Park Brake
Active Elements
Hydraulic System
Electrical Systems
Batteries, Support And Cables
Alternator, Regulator And Charging System Wiring
Lighting System
Wiring Harness And Switches
System Controls
Motors And Actuators
Sensors
Frame Or Supporting Structure
Frame Installation
Counterweights
Operator`s Station
Removal And Installation
Operator Enclosure
Seat And Seat Belts
Heating And Air Conditioning
Sheet Metal And Styling
Hood Or Engine Enclosure
Miscellaneous Shields
Safety And Convenience
Mirrors
Horn And Warning Devices
Main Hydraulic System
Hydraulic System
Loader
Bucket
Frame
Hydraulic System
Dealer Fabricated Tools
Dealer Fabricated Tools




