John Deere 325SK Backhoe Loader Diagnostic Operation Test Manual TM12827
Language: English
Format: PDF
Document: Diagnostic Operation Test Manual
Machine: Backhoe Loader
Machine Model: 325SK (PIN: 1T0325SK**C235589-) (T2/S2) (SN. From 235589)
Pages: 1085 Pages
Part Number: TM12827
Contents:
Foreword
Manual Identification-READ THIS FIRST!
General Information
Safety
Diagnostics
Engine Control Unit (ECU) Diagnostic Trouble Codes
Standard Display Monitor (SDM) Diagnostic Trouble Codes
Transmission Control Unit (TCU) Diagnostic Trouble Codes
Vehicle Control Unit (VCU) Diagnostic Trouble Codes
Auxiliary Valve Control (AVC) Diagnostic Trouble Codes
Sealed Switch Module (SSM) Diagnostic Trouble Codes
Operational Checkout Procedure
Operational Checkout Procedure
Engine
Theory of Operation
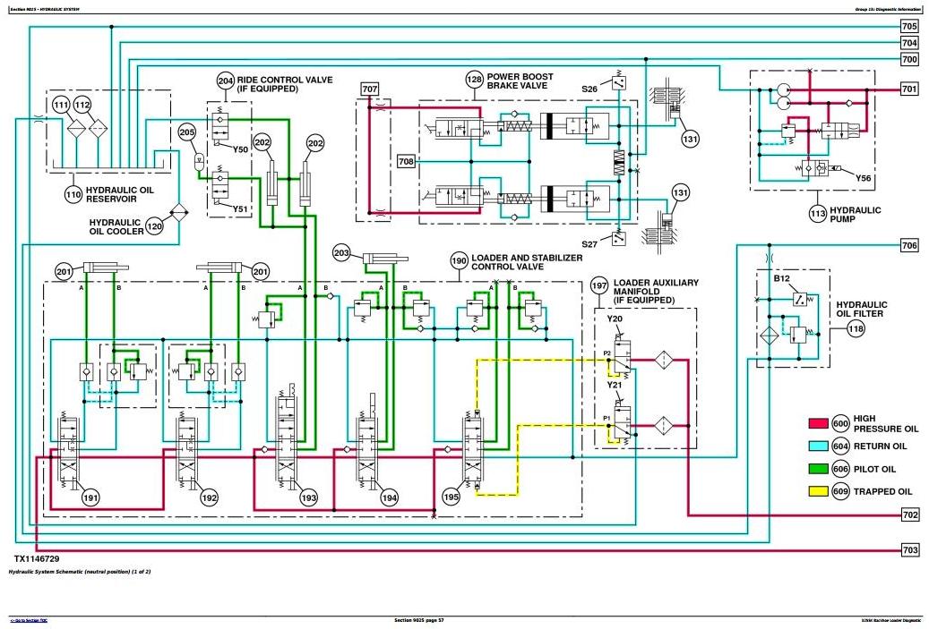
Diagnostic Information
Adjustments
Test
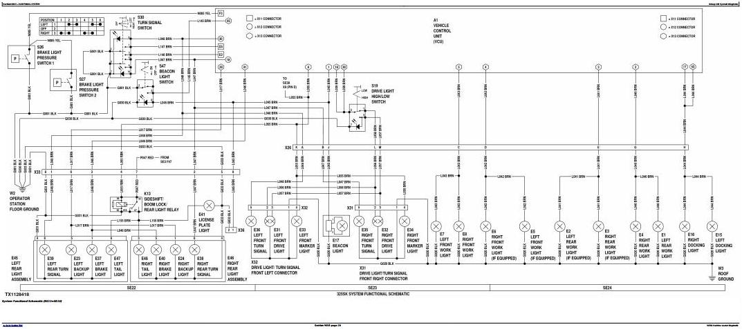
Electrical System
System Information
System Diagrams
Sub-System Diagnostics
Monitor Operation
References
Power Train




