John Deere 326E Skid Steer Loader Diagnostic Operation Test Manual TM13088X19
Language: English
Format: PDF
Document: Diagnostic Operation Test Manual
Machine: Skid Steer Loader
Machine Model: 326E (PIN: 1T0326E***J247388-) with Manual Controls
Pages: 908 Pages
Part Number: TM13088X19
Contents:
Foreword
Manual Identification-READ THIS FIRST!
General Information
Safety
Diagnostic Trouble Codes (DTCs)
Engine Control Unit (ECU) Diagnostic Trouble Codes
Engagement and Monitor Unit (EMU) Diagnostic Trouble Codes
Sealed Switch Module (SSM) Diagnostic Trouble Codes
Vehicle Control Unit (VCU) Diagnostic Trouble Codes
Operational Checkout Procedure
Operational Checkout Procedure
Engine
Theory of Operation
Diagnostic Information
Electrical System
System Information
System Diagrams
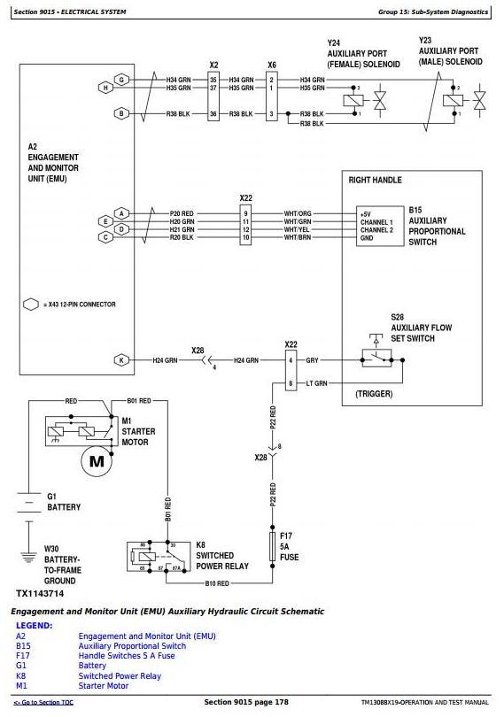
Sub-System Diagnostics
Monitor Operation
References
Power Train
Theory of Operation
Diagnostic Information
Test
Hydraulic System
Theory of Operation
Diagnostic Information
Adjustments
Test
Hydrostatic System
Theory of Operation
Diagnostic Information
Test
Heating and Air Conditioning
Theory of Operation
Diagnostic Information
Test
Dealer Fabricated Tools
Dealer Fabricated Tools




