John Deere 3316 Combine Technical Manual TM117019
Language: English
Format: PDF
Document: Technical Manual
Machine: Combine
Machine Model: 3316
Pages: 492 Pages
Part Number: TM117019
Contents:
Foreword
General
Safety
Specifications
Fuels, Lubricants, and Coolants
Dimensions
Delivery and Storage Instructions
Engine
Engine Cooling System
Engine
Fuel and Air
Components
Intake and Exhaust System
Electrical System
Battery
Electrical Components
Alternator
Instruments and Sensors
Ground Drive
Variable Speed
Clutch
Transmission and Differential
Final Drive
Brakes and Rear Axle
Brakes
Rear Axle
Brake Valve and Brake Fluid Reservoir
Hydraulic System
Hydraulic System and Reservoir
Hydraulic Pump
Hydraulic Control Valve
Cylinders
Miscellaneous
Shafts and Bearings
Belts
Chain
Operator Station
Cab
Header Repair
Knife Drive
Auger
Reel
Trailer
Feeder House
Feeder House
Threshing Separation and Grain Cleaning
Cylinder and Concave
Separator Drive
Rotor
Cleaning
Elevator, Grain Tank, and Unloading
Elevators and Augers
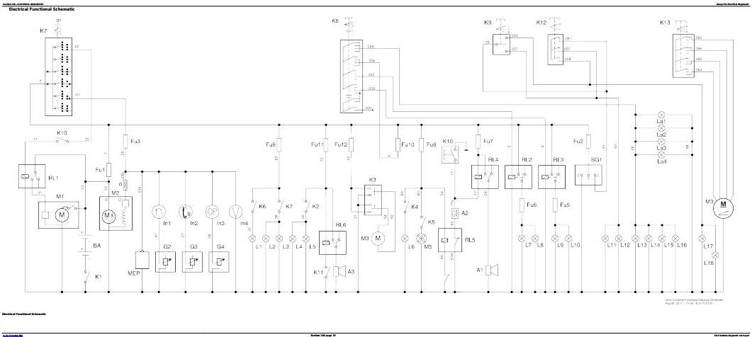
Electrical Diagnostic
Electrical Diagnostic




