John Deere 350 to 484 China Tractor Technical Manual TM701419
Language: English
Format: PDF
Document: Technical Manual
Machine: Tractor
Machine Model: 350, 354, 400, 404, 450, 454, 480, 484, 4035B (PIN prefix N4, S2)
Pages: 710 Pages
Part Number: TM701419
Contents:
Foreword
General Information
Safety regulations
Technical specifications
Fuel and lubricating oil
Position of serial number plate
Discharge oil and water before servicing
Engine
Engine
Cooling system
Fuel system, air intake and exhaust
Speed control lever
Fuel system
Air intake and exhaust system
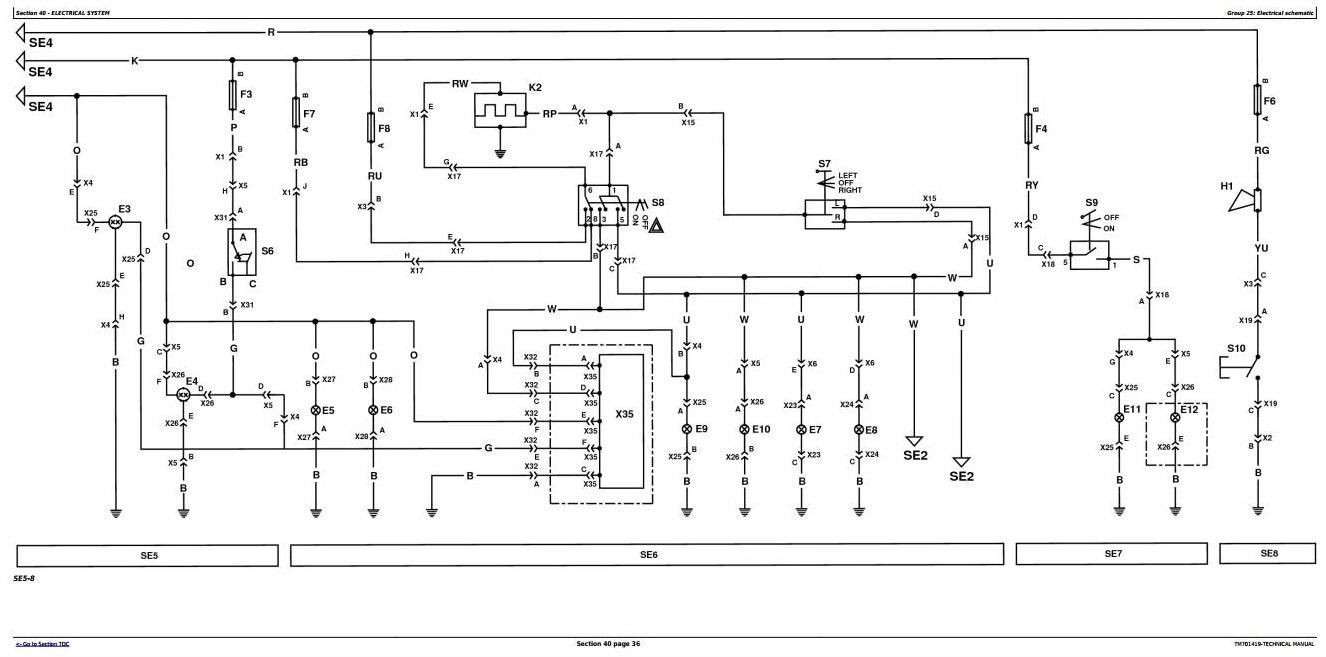
Electrical system
Battery and engine
Electrical system components
Wiring harness
Fuses and relays
Electrical schematic
Drive system
Rear PTO shaft
Clutch
Feeder house
Gearbox
Rear differential
Final drive
MFWD
2WD front axle
Steering and brake
Steering system
Brake
Air brake (optional)
Hydraulic system
Gear pump and oil pipe assembly
Lifter
Trailer device
Miscellaneous
Engine hood and shield
Three-point suspension device
Wheel
Front counterweight tray
Cab
Remove and install components
Seat
Special tools (made by dealers)
Special tools (made by dealers)
Operational checking procedures
Operational checking procedures
Engine operational principles, test and adjust
Component locations
Operational principles
Diagnose, test and adjust
Operational principles, test and adjustment of fuel/air intake system
Component locations
Operational principles
Diagnose, test and adjust
Operational principles, test and adjustment of electrical system
Component locations
Operational principles
Diagnose, test and adjust
Circuit diagram
Operational principles, test and adjustment of drive system
Component locations
Operational principles
Diagnose, test and adjust
Operational principles, test and adjustment of steering and braking devices
Component locations
Operational principles
Diagnose, test and adjust
Operational principles, test and adjustment of hydraulic system
Component locations
Operational principles
Diagnose, test and adjust




