John Deere 370E 410E 460E Articulated Dump Truck Operation Test Manual TM13380X19
Language: English
Format: PDF
Document: Operation Test Manual
Machine: Articulated Dump Truck
Machine Model: 370E (PIN:1DW370E***C668588- ; 1DW370E***D668588-), 410E (PIN:1DW410E***C668589- ; 1DW410E***D668589-), 460E (PIN:1DW460E***C668587- ; 1DW460E***D668587-)
Pages: 1281 Pages
Part Number: TM13380X19
Contents:
Foreword
Manual Identification-READ THIS FIRST!
General Information
Safety
Diagnostics
Transmission Control Unit (TCU) Diagnostic Trouble Codes
Engine Control Unit (ECU) Diagnostic Trouble Codes
Vehicle Control Unit (VCU) Diagnostic Trouble Codes
Display Menu Handler (DMH) Diagnostic Trouble Codes
Sealed Switch Module 1 (SM1) Diagnostic Trouble Codes
Sealed Switch Module 2 (SM2) Diagnostic Trouble Codes
Primary Display Unit (PDU) Diagnostic Trouble Codes
Rear Frame Controller (RFC) Diagnostic Trouble Codes
Tire Pressure Monitoring (TPM) System Diagnostic Trouble Codes
Automatic Temperature Control (ATC) Diagnostic Trouble Codes
Operational Checkout Procedure
Operational Checkout Procedure
Engine
Theory of Operation
System Diagrams
Diagnostic Information
Test
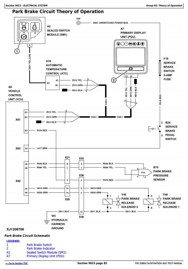
Electrical System
Theory of Operation
System Diagrams
Diagnostic Information
Primary Display Unit (PDU) Operation
Diagnostic Test Box
Adjustments
Test
Power Train
Theory of Operation
System Diagrams
Diagnostic Information
Test
Hydraulic System
Theory of Operation
System Diagrams
Diagnostic Information
Test
Heating and Air Conditioning
Theory of Operation
Diagnostic Information
Test




