John Deere 3754D Road Builder Diagnostic Operation Test Manual TM10334
Language: English
Format: PDF
Document: Diagnostic Operation Test Manual
Machine: Road Builder
Machine Model: 3754D
Pages: 818 Pages
Part Number: TM10334
Contents:
Foreword
Technical Information Feedback Form
General Information
Safety
Diagnostics
Engine Control Unit (ECU) Diagnostic Trouble Codes
Main Controller (MCX) Diagnostic Trouble Codes
Information Controller (ICX) Diagnostic Trouble Codes
Air Conditioner Controller (ACX) Diagnostic Trouble Codes
Operational Checkout Procedure
Operational Checkout Procedure
Engine
Theory of Operation
Diagnostic Information
Test
Electrical System
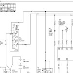
System Information
System Diagrams
Sub-System Diagnostics
Monitor Operation
References
Power Train
Theory of Operation
Diagnostic Information
Hydraulic System
Theory of Operation
Diagnostic Information
Test
Heating and Air Conditioning - Side Entry Cab
Theory of Operation - Side Entry Cab
Diagnostic Information - Standard Condenser
Diagnostic Information - Powered Condenser
Test - Side Entry Cab
Heating and Air Conditioning - Rear Entry Cab
Theory of Operation - Rear Entry Cab
Diagnostic Information - Rear Entry Cab
Test - Rear Entry Cab
Dealer Fabricated Tools
Dealer Fabricated Tools




