John Deere 381 388 488 Mower-Conditioners Technical Manual TM300719
Language: English
Format: PDF
Document: Technical Manual
Machine: Mower-Conditioners
Machine Model: 381, 388, 488
Pages: 224 Pages
Part Number: TM300719
Contents:
Foreword
Service Technician Response
Safety
Safety Information
General
Serial Numbers
Lubricants
Torques for Hardware
Electrical Repair
Harness and Connector Repair
Electrical System Components
Power Train
Transmission Malfunctions
Transmission Repair
Main Gearbox (381 and 388)
Main Gearbox (488)
Cutterbar Gearbox
Hydraulic Repair
General Information
Hydraulic 381 and 388
Hydraulic 488
Frame
Frame 381 and 388
Frame 488
Miscellaneous
Grouper
Cutting Components
General Information
Disks and Knives
Cutterbar
Conditioner
Impeller
Electrical System - Operation and Test
General Information
381 and 388 (Up To SN 283699)
381 and 388 (From SN 283700)
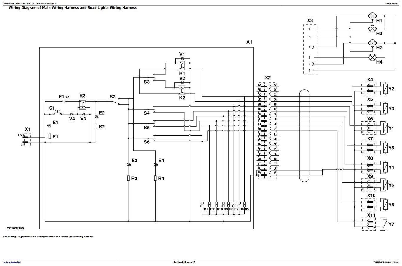
488
Hydraulic System - Operation and Test
Safety
General Information
381 and 388 (From SN 283700)
488




